Крышка на переходник RRS левосторонний 200/150, цинк-ламельная в комплекте с метизами и пластинами PTCE
Производитель: DKC
Купить в розницу
Товар временно недоступен на маркетплейсах
Характеристики
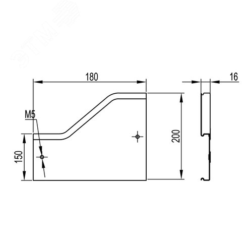
Крышка на левосторонний переходник RRS легко и надежно фиксируется, защищая кабель от негативного воздействия воды и крупных частиц. При необходимости крышку можно на время снять для доступа к кабелю – для этого не требуется специальных инструментов. Аксессуары в исполнении ''Цинк-ламель'' имеют специальное покрытие, в состав которого входит алюминий, цинк и магний. Такое покрытие обеспечивает электрохимическую и барьерную защиту от коррозии. Показатели коррозионной стойкости цинк-ламельного покрытия ДКС аналогичны показателям горячеоцинкованного покрытия. Крышка подходит для переходника с ширины 200 мм на ширину 150 мм. Крышка поставляется в комплекте с крепежными элементами, необходимыми для качественного и надежного монтажа.
Похожие товары
Реле электромеханическое универсальное миниатюрное, монтаж на печатную плату или в розетку, выводы с шагом 5мм, 2CO 8A, контакты AgNi+Au, катушка 60В DC (чувствит.), степень защиты RTII
FINDER
от 1 126 ₽
Кран шаровой 20х1/2'П
Джилекс
от 292 ₽
Бирка кабельная У-135МГ (100шт)
Fortisflex
от 221 ₽
ВЫКЛЮЧАТЕЛЬ-РАЗЪЕДИНИТЕЛЬ 3P 80A С КРАСНОЙ РУКОЯТКОЙ НА ДВЕРЦУ 4 ВИНТАМИ
Systeme Electric
от 9 487 ₽
Угол CS 45 вертикальный внутренний 45 градусов 150/80 в комплекте крепежные элементы соединительные пластины
DKC
от 4 766 ₽
Реле электромеханическое силовое миниатюрное, монтаж в розетку или наконечники Faston (4.8х0.5мм), 2CO 12A, контакты AgNi, катушка 110В DC, степень защиты RTI, опции: нет
FINDER
от 1 412 ₽