Перегородка SEP для углов CD 90 H80, в комплекте с крепежными элементами и необходимыми для монтажа
Оптовая цена от
248 ₽

Купить в розницу

Товар временно недоступен на маркетплейсах

Оптовый заказ

Для оптовых заказов напишите нам на почту:

opt@peak-leds.ru
Артикул: SSD90800K

Характеристики

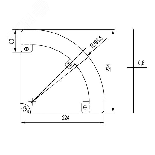
Перегородка предназначена для разделения цепей различного назначения внутри вертикального внешнего угла CD 90, чтобы предотвратить возникновение помех. Комплектный аксессуар. Поставляется в разогнутом виде в комплекте с винтами CM010610 и гайками CM100600.

Штрихкод:
4690309631485
Страна производства:
Россия
Покрытие:
Горячий цинк
Высота, мм:
80
Тип изделия:
Перегородка
Преимущества:
Поставляется в комплекте с крепежными элементами. Комплект крепежа, сопровождающий аксессуар, делает монтаж простым и быстрым за счет отсутствия необходимости подбора правильного крепежа на объекте|Применение комплектных аксессуаров позволяет свести к нулю ошибки расчета и подбора крепежа в процессе проектирования|Исключает риск развития электрохимической коррозии, возникающей при ошибочном подборе крепежа из несовместимых материалов|Изготавливается из оцинкованной стали с массой покрытия не менее 180 г/м2, что соответствует ГОСТ 52868-2021 и ГОСТ 14918 - 2020, и обеспечивает требуемую надежность и долговечность кабельной линии. Подтверждено протоколами соответствующих испытаний, в том числе в камере соляного тумана.
Материал изделия:
Сталь
Климатическое исполнение:
ОМ2, Т2, У2, УХЛ2, ХЛ2
Толщина материала изделия:
0.8
Рекомендованный проектный ассортимент:
Да