Крышка на ответвитель DL осн.150, цинк-ламельная в комплекте с метизами и пластинами PTCE

Крышка на ответвитель DL осн.150, цинк-ламельная в комплекте с метизами и пластинами PTCE

Производитель: DKC

Оптовая цена от
2 462 ₽

Купить в розницу

Товар временно недоступен на маркетплейсах

Оптовый заказ

Для оптовых заказов напишите нам на почту:

opt@peak-leds.ru
Артикул: 38364KZL

Характеристики

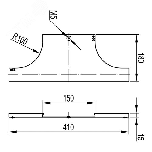
Крышка на ответвитель легко и надежно крепится, предотвращая попадание влаги и крупных частиц внутрь лотка. Если возникает необходимость получить доступ к кабелю, крышка легко снимается. Крышка на ответвитель DL предназначена для аксессуара шириной 150 мм. Аксессуары в исполнении ''Цинк-ламель'' имеют специальное покрытие, в состав которого входит алюминий, цинк и магний. Такое покрытие обеспечивает электрохимическую и барьерную защиту от коррозии. Показатели коррозионной стойкости цинк-ламельного покрытия ДКС аналогичны показателям горячеоцинкованного покрытия. Крышка поставляется в комплекте с крепежными элементами, необходимыми для качественного и надежного монтажа.

Штрихкод:
4660241243985
Страна производства:
Россия
Серия:
S5 Combitech
Покрытие:
Цинк-ламель
Ширина, мм:
150
Тип изделия:
Крышка лотка ответвительного
Преимущества:
Сокращение времени на отбор необходимого крепежа непосредственно при монтаже|Упрощение монтажа и экономия на крепеже за счет присутствия в комплекте необходимых крепежных элементов в достаточном количестве|Минимизация ошибок расчета и подбора крепежа в процессе проектирования|Крышка на аксессуар присоединяется простым защелкиванием|Для удобства монтажа и уменьшения времени на соединение в крышку уже заштампована гайка М5|Благодаря особенностям конструктива являются быстросъемнымыми, что позволяет получить быстрый доступ к кабелю (например, для его замены или прокладки дополнительной кабельной линии)|Исполнение соответствует 8 классу коррозионной стойкости, благодаря чему изделие может применяться, например, в помещениях с высокой влажностью и низкой загрязненностью, в воздушных зонах городов и промышленных предприятий
Материал изделия:
Сталь горячеоцинкованная
Климатическое исполнение:
ОМ1, Т1, У1, УХЛ1, УХЛ5, ХЛ1
Толщина материала изделия:
0.8