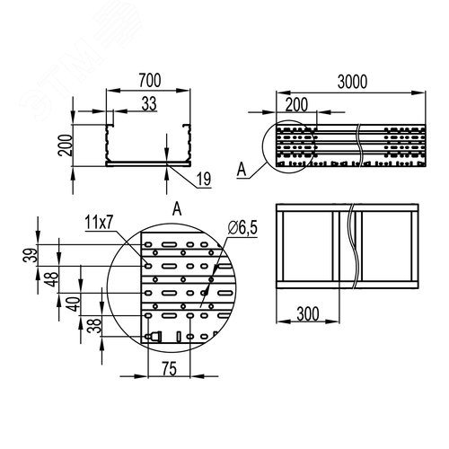
Лоток листовой неперфорированный 200x700х3000 лонжерон 1.5мм цинк-ламельный
Производитель: DKC
Купить в розницу
Товар временно недоступен на маркетплейсах
Характеристики
Тяжелые лотки листового типа используются для прокладки кабелей на длинных пролетах, например, на промышленных объектах, на верфях и в портах, в производственно-складских помещениях. Листовой лоток состоит из двух перфорированных лонжеронов, соединенных поперечными траверсами и неперфорированными металлическими пластинами. Такая конструкция обеспечивает высокую несущую способность, сейсмостойкость и простой доступ к кабелю. Исполнение лотков - 'цинк-ламельное покрытие'. Это покрытие на основе магниевой смолы с цинковыми и алюминиевыми хлопьями демонстрирует лучшие показатели коррозионной устойчивости, чем цинковое покрытие той же толщины, и лишь ненамного уступает нержавеющей стали. Лотки серии 'U5 Combitech' имеют свидетельства Российского морского регистра судоходства и соответствуют требованиям ГОСТ 30546.1-98 по сейсмоустойчивости.
Похожие товары
Крышка на угол вертикальный внешний 45 градусов 80х300, R600, горячеоцинкованная
DKC
от 2 939 ₽
Петля компенсационная 32 мм полипропиленовая PPR белая
Valtec
от 348 ₽
Крышка на угол вертикальный внутренний 45 градусов 80х400, 1,5 мм, горячий цинк, в комплекте с крепежными элементами необходимымидля монтажа
DKC
от 3 531 ₽
Реле электромеханическое универсальное миниатюрное, монтаж на печатную плату или в розетку, выводы с шагом 5мм, 1CO 16A, контакты AgCdO, катушка 60B DC, влагозащита RTIII
FINDER
от 552 ₽
Кабель силовой ВВГнг(А)-LS 3х6 ок(N.PE)-0.66 Ч бух (ВНИИКП)
Алюр
от 347 ₽
Выключатель автоматический модульный YON MD125 1P 100А C 20kA
DKC
от 6 001 ₽