Подвес вертикальный двойной 41х41х2000
Оптовая цена от
7 209 ₽

Купить в розницу

Товар временно недоступен на маркетплейсах

Оптовый заказ

Для оптовых заказов напишите нам на почту:

opt@peak-leds.ru
Артикул: BSD4120

Характеристики

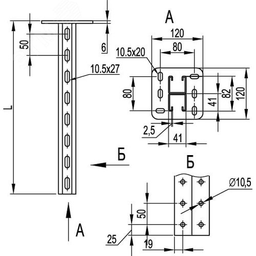
Двойной вертикальный подвес BSD-41 применяется для монтажа консолей - ВВН-60, ВВН-70, ВВН-80, BBD-21/41. С-образный двойной профиль подвеса 41х41 мм, толщина профиля подвеса 2,5 мм, толщина пластины 6 мм. Одно/двусторонний и параллельный монтаж кабельных трасс. Подвес монтируется к полу или потолку. Длина подвеса - 2000 мм.

Штрихкод:
4690309188750
Страна производства:
Россия
Цвет:
Светло-серый
Резьба:
M10
Длина, мм:
2 000
Масса, кг:
11
Покрытие:
Холодное цинкование
Высота, мм:
120
Ширина, мм:
120
Тип изделия:
Подвес
Преимущества:
Монтаж в потолок или в пол|Совместим с металлическими лотками и аксессуарами ДКС любой серии
Материал изделия:
Сталь
Климатическое исполнение:
УХЛ2
Толщина материала изделия:
2.5
Дополнительная информация:
Непрерывное холодное цинкование
Рекомендованный проектный ассортимент:
Да