Подвес вертикальный двойной 41х41х200
Оптовая цена от
1 605 ₽

Купить в розницу

Товар временно недоступен на маркетплейсах

Оптовый заказ

Для оптовых заказов напишите нам на почту:

opt@peak-leds.ru
Артикул: BSD4102

Характеристики

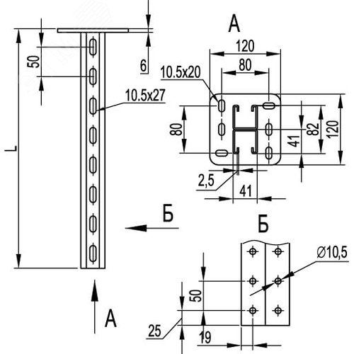
Двойной вертикальный подвес BSD-41, применяется для монтажа консолей - ВВН-60, ВВН-70, ВВН-80, BBD-21/41. Параметры С-образного двойного профиля подвеса 41х21 мм, толщина профиля подвеса 2,5 мм, толщина пластины 6 мм. Назначение - одно/двусторонний и параллельный монтаж кабельных трасс. Подвес монтируется к полу или потолку. Длина подвеса - 200 мм.

Страна производства:
Россия
Цвет:
Светло-серый
Резьба:
M10
Длина, мм:
200
Масса, кг:
1.66
Покрытие:
Холодное цинкование
Высота, мм:
120
Ширина, мм:
120
Тип изделия:
Профиль
Преимущества:
Монтаж в потолок или в пол|Совместим с металлическими лотками и аксессуарами ДКС любой серии
Материал изделия:
Сталь
Климатическое исполнение:
УХЛ 2
Толщина материала изделия:
2.5
Дополнительная информация:
Непрерывное холодное цинкование
Рекомендованный проектный ассортимент:
Да