Крышка на X-ответвитель 300 R=660мм горячеоцинкованная
Производитель: DKC
Купить в розницу
Товар временно недоступен на маркетплейсах
Характеристики
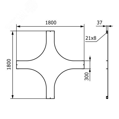
Входящие в состав системы ''U5 Combitech'' аксессуары применяются для усложнения конструктива трассы и повышения уровня защиты кабеля. Крышка на Х-образный ответвитель предназначена для защиты кабеля и кабельной трассы от осадков и мусора, который может попасть внутрь аксессуара. Применяется при горизонтальной прокладке трассы. Крышка подбирается в соответствии с параметрами аксессуара, совместно с которым она используется. Эта крышка изготовлена из стали толщиной 1 мм и предназначена для применения вместе с аксессуаром, ширина - 300 мм. Крышка закрепляется винтовым методом с помощью гайки М6 (код СМ100600) и болта М6х10 (код СМ010610). Крышки в исполнении ''Горячий цинк'' имеют устойчивое к коррозии покрытие и могут в течение 30-50 лет эксплуатации противостоять ее проявлениям. Это позволяет применять такие аксессуары для построения кабельных трасс даже в условиях повышенной влажности.
Похожие товары
Самозатухающая термоусаживаемая трубка в рулоне 6/2 мм черный 3:1
DKC
от 91 ₽
Кабель силовой ВВГнг(А)-LS 3х4ок(N,PE)-1 (100м) ТРТС
Электрокабель НН
Цена по запросу
Реле миниатюрное силовое электромеханическое, монтаж в розетку или наконечники Faston (4.8х0.5мм), 2CO 12A, контакты AgNi, катушка 110В АC, степень защиты RTI, опции: нет
FINDER
от 2 416 ₽
Труба гладкостенная трехслойная полимерная д. 90мм толщ. 4,3 мм, SN8 отрезок 11,7м, цвет красный
DKC
от 8 407 ₽
Стяжка стальная бугельного типа СКБ-П (316) 9.6x900 из нержавеющей стали AISI 316 с полимерным покрытием
Fortisflex
от 51 ₽
Лоток листовой неперфорированный 150х400 лонжерон 2мм L=6м цинк-ламельный
DKC
от 10 161 ₽