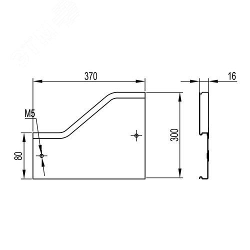
Крышка на переходник RRS левосторонний 300/80, цинк-ламельная в комплекте с метизами и пластинами PTCE
Производитель: DKC
Купить в розницу
Товар временно недоступен на маркетплейсах
Характеристики
Крышка на левосторонний переходник RRS легко и надежно фиксируется, защищая кабель от негативного воздействия воды и крупных частиц. При необходимости крышку можно на время снять для доступа к кабелю – для этого не требуется специальных инструментов. Аксессуары в исполнении ''Цинк-ламель'' имеют специальное покрытие, в состав которого входит алюминий, цинк и магний. Такое покрытие обеспечивает электрохимическую и барьерную защиту от коррозии. Показатели коррозионной стойкости цинк-ламельного покрытия ДКС аналогичны показателям горячеоцинкованного покрытия. Крышка подходит для переходника с ширины 300 мм на ширину 80 мм. Крышка поставляется в комплекте с крепежными элементами, необходимыми для качественного и надежного монтажа.
Похожие товары
Площадка монтажная ПМО 22х16 (черн) (100шт)
Fortisflex
от 158 ₽
Ввод кабельный из нержавеющей стали MGM 32 (18-25 мм) (INOX)
Fortisflex
от 1 553 ₽
Ех-кабельный ввод ВКВ2ТН-НС-G2 1/2-G2-51 1Ex db e II Gb X ГОФРОМАТИК
АО "ЗЭТА"
от 35 164 ₽
Кабель силовой ППГнг(А)-HF 3х1,5ок(N,PE)-0,66 ТРТС
Альфакабель
от 96 ₽
Ответвитель Т-образный 100х300 R600 лонжерон 1,5 мм цинк-ламельный в комплекте крепежные элементы соединительные пластины
DKC
от 40 944 ₽
Лоток лестничный 150х200х3000 лонжерон 1.5мм цинк-ламельный
DKC
от 5 542 ₽