Переходник RRS левосторонний 600/400 H100 в комплекте с крепежными элементами и соединительными пластинами

Переходник RRS левосторонний 600/400 H100 в комплекте с крепежными элементами и соединительными пластинами

Производитель: DKC

Оптовая цена от
8 692 ₽

Купить в розницу

Товар временно недоступен на маркетплейсах

Оптовый заказ

Для оптовых заказов напишите нам на почту:

opt@peak-leds.ru
Артикул: 36478KHDZ

Характеристики

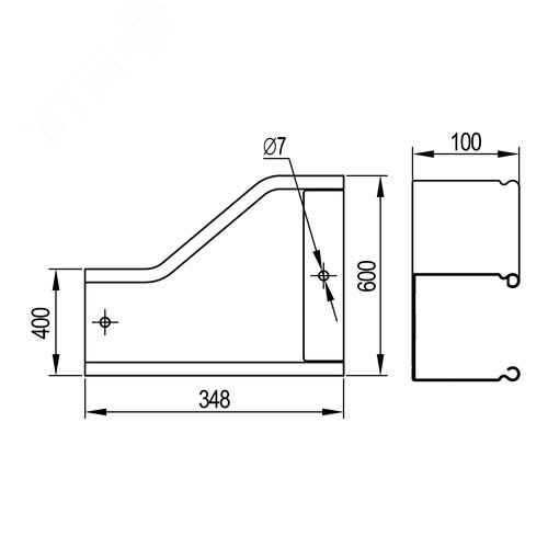
Элементы, входящие в состав системы ''S5 Combitech'' позволяют предусмотреть любые особенности проектирования и монтажа трассы. При построении кабельных трасс может возникать ситуация, когда требуется увеличить или уменьшить ширину лотка. Для этого применяется переходник (редукция) - аксессуар, имеющий разную ширину в начале и в конце. Левосторонняя редукция - аксессуар, который расширяется с левой стороны. Такой конструктив позволяет размещать переходник вплотную к стене. Ширина его составляет 400 мм в узкой части и 600 мм - в широкой. Максимальная степень пыле- и влагозащиты - IP44 (при использовании вместе с крышкой). Высота - 100 мм. Он выполнен в специальном исполнении ''Горячий цинк'', которое отличает повышенная устойчивость к коррозии. Горячеоцинкованное изделие защищено от образования ржавчины на срок 30-50 лет (в зависимости от условий, в которых эксплуатируется изделие).

Штрихкод:
4690309504314
Страна производства:
Россия
Цвет:
Светло-серый
Покрытие:
Горячий цинк
Высота, мм:
100
Ширина, мм:
600
Тип изделия:
Переходник
Преимущества:
Поставляются в комплекте с крепежными элементами|Комплект крепежа, сопровождающий аксессуар, делает монтаж простым и быстрым за счет отсутствия необходимости подбора подходящего крепежа на объекте|Применение комплектных аксессуаров позволяет свести к нулю ошибки расчета количества и подбора крепежа в процессе проектирования|Исключает риск развития электрохимической коррозии, возникающей при ошибочном подборе крепежа из несовместимых материалов|Выполнено в исполнении горячий цинк с толщиной цинкового слоя от 55 мкм до 120 мкм, благодаря чему может применяться, например, в помещениях с высокой влажностью и низкой загрязненностью, в воздушных зонах городов и промышленных предприятий|Обеспечивают плавный изгиб трассы|Плавный поворот способствует сохранению целостности кабеля
Материал изделия:
Сталь
Климатическое исполнение:
ОМ1, Т1, У1, УХЛ1, УХЛ5, ХЛ1
Толщина материала изделия:
0.8