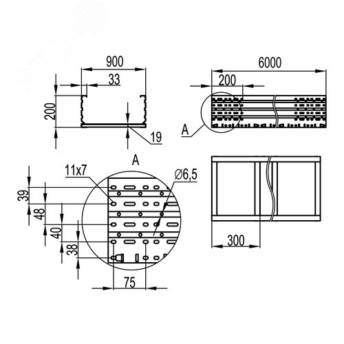
Лоток листовой неперфорированный 200x900 лонжерон 2мм L=6м цинк-ламельный
Производитель: DKC
Купить в розницу
Товар временно недоступен на маркетплейсах
Характеристики
Тяжелые лотки листового типа используются для прокладки кабелей на длинных пролетах, например, на промышленных объектах, на верфях и в портах, в производственно-складских помещениях. Листовой лоток состоит из двух перфорированных лонжеронов, соединенных поперечными траверсами и неперфорированными металлическими пластинами. Такая конструкция обеспечивает высокую несущую способность, сейсмостойкость и простой доступ к кабелю. Исполнение лотков - 'цинк-ламельное покрытие'. Это покрытие на основе магниевой смолы с цинковыми и алюминиевыми хлопьями демонстрирует лучшие показатели коррозионной устойчивости, чем цинковое покрытие той же толщины, и лишь ненамного уступает нержавеющей стали. Лотки серии 'U5 Combitech' имеют свидетельства Российского морского регистра судоходства и соответствуют требованиям ГОСТ 30546.1-98 по сейсмоустойчивости.
Похожие товары
Реле электромеханическое универсальное миниатюрное, монтаж на печатную плату или в розетку, выводы с шагом 3.5мм, 1NO 10A, контакты AgNi, катушка 230В AC, влагозащита RTIII
FINDER
от 870 ₽
Коллекторная группа расходомеры в сборе 1'x9 выходов 3/4' евроконус нержавеющая сталь
Valtec
от 15 893 ₽
Реле универсальное электромеханическое, монтаж в розетку 8-штырьковый разъем, 2CO 10A, контакты AgNi, катушка 6В DC, степень защиты RTI, опции: кнопка тест + мех.индикатор
FINDER
от 1 436 ₽
Ех-кабельный ввод ВКВ2ТВ-НС-М32-G1-26 1Ex db e II Gb X ГОФРОМАТИК
АО "ЗЭТА"
от 9 441 ₽
Навесной кондиционер Slim OUT из нержавеющей стали AISI304 2000 Вт, 400 В, 3 ф, 400x1650x220 мм
DKC
от 397 892 ₽
Крышка на угол вертикальный внутренний 90 градусов, 80х500 R300, горячеоцинкованная в комплекте с крепежными элементами исоединительными пластинами, необходимыми для монтажа
DKC
от 3 590 ₽