Крышка на X-ответвитель 300мм цинк-ламельная
Производитель: DKC
Купить в розницу
Товар временно недоступен на маркетплейсах
Характеристики
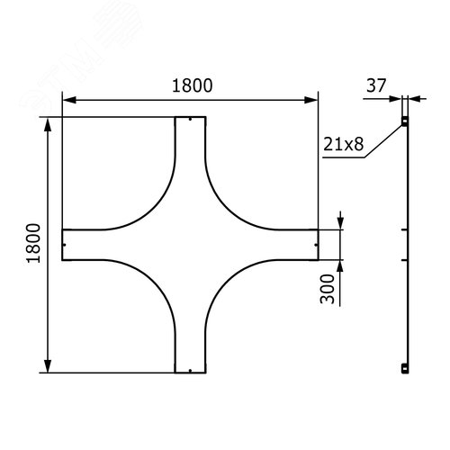
Входящие в состав системы ''U5 Combitech'' аксессуары применяются для усложнения конструктива трассы и повышения уровня защиты кабеля. Крышка на Х-образный ответвитель предназначена для защиты кабеля и кабельной трассы от осадков и мусора, который может попасть внутрь аксессуара. Применяется при горизонтальной прокладке трассы. Крышка подбирается в соответствии с параметрами аксессуара, совместно с которым она используется. Эта крышка изготовлена из стали толщиной 1 мм и предназначена для применения вместе с аксессуаром, ширина - 300 мм. Крышка закрепляется винтовым методом с помощью гайки М6 (код СМ100600) и болта М6х10 (код СМ010610). Специальное исполнение - ''Цинк-ламельное покрытие'' обеспечивает крышке надежную защиту от коррозии даже в условиях повышенной влажности и агрессивных химических воздействий, что позволяет применять их даже на открытом воздухе и на химических производствах.
Похожие товары
Кассета претерминированная 12ОВ 09/125 OS2. 1хMTP(12)f/6хLC-UPC Dupleх (с интегрированными шторками). 1/2 HU
DKC
от 43 437 ₽
Хомут 200х4,8 мм нейлон черный ОНЛАЙТ (100 шт в упак)
Онлайт
от 139 ₽
Крышка с фиксаторами 1000 L=3м
DKC
от 11 395 ₽
Угол горизонтальный 45 градусов 100x300 R600 горячеоцинкованный в комплекте крепежные элементы соединительные пластины
DKC
от 9 404 ₽
Кабель силовой ВВГнг(А)-LS 3х4 (ок)-0.660 однопроволочный
Алюр
от 215 ₽
Трубка термоусадочная ТУТнг-LS-25/12,5 ж/з
КВТ
от 170 ₽