Угол горизонтальный изменяемый CPO 0-44 градуса 300Х50 цинк-ламельный (аналог горячеоцинкованный)

Угол горизонтальный изменяемый CPO 0-44 градуса 300Х50 цинк-ламельный (аналог горячеоцинкованный)

Производитель: DKC

Оптовая цена от
6 465 ₽

Купить в розницу

Товар временно недоступен на маркетплейсах

Оптовый заказ

Для оптовых заказов напишите нам на почту:

opt@peak-leds.ru
Артикул: 36011HDZL

Характеристики

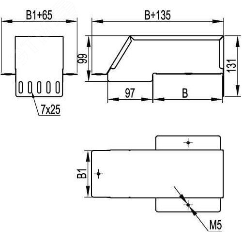
Широкий выбор аксессуаров для линейки листовых лотков ''S5 Combitech'' позволяют строить трассы любой сложности. Горизонтальный изменяемый угол - это элемент, применение которого позволяет создавать плавные повороты трассы под углом 0-45 градусов в горизонтальной плоскости. Конструктив аксессуара предотвращает повреждение кабеля при прокладке. Изменяемый угол СРО доставляется в разобранном виде. Толщина стали - 0.8 мм. Высота - 50 мм, ширина - 300 мм. Аксессуары в исполнении ''Цинк-ламель'' имеют специальное покрытие на основе химически активной магниевой смолы, в которую добавлены хлопья алюминия и цинка. Такое покрытие обеспечивает электрохимическую и барьерную защиту от коррозии. Показатели коррозионной стойкости цинк-ламельного покрытия ДКС аналогичны показателям горячеоцинкованного покрытия.

Штрихкод:
4690309372555
Страна производства:
Россия
Цвет:
Светло-серый
Покрытие:
Цинк-ламель
Высота, мм:
50
Ширина, мм:
300
Исполнение:
Без разъема
Тип изделия:
Угол горизонтальный
Материал изделия:
Сталь
Климатическое исполнение:
ОМ1, Т1, У1, УХЛ1, УХЛ5, ХЛ1
Толщина материала изделия:
0.8
Рекомендованный проектный ассортимент:
Да