Вертикальная лестница 800, L 3м, горячий цинк
Оптовая цена от
5 808 ₽

Купить в розницу

Товар временно недоступен на маркетплейсах

Оптовый заказ

Для оптовых заказов напишите нам на почту:

opt@peak-leds.ru
Артикул: UVC308HDZ

Характеристики

Тяжелые лотки лестничного типа используются для прокладки кабелей на длинных пролетах, например, на промышленных объектах, на верфях и в портах, в производственно-складских помещениях. Лестничный лоток состоит из двух перфорированных лонжеронов, соединенных поперечными траверсами. Такая конструкция обеспечивает высокую несущую способность даже на пролетах длиной до 9 метров, сейсмостойкость и простой доступ к кабелю. Специальный аксессуары обеспечивают плавный изгиб и предотвращают риск повреждения кабеля при прокладке. Лоток применяется для вертикальной прокладки кабеля. Лотки серии 'U5 Combitech' имеют свидетельства Российского морского регистра судоходства и соответствуют требованиям ГОСТ 30546.1-98 по сейсмоустойчивости. Исполнение лотка 'Горячий цинк' позволяет эксплуатировать кабельную трассу в условиях агрессивной среды и повышенной влажности.

Страна производства:
Россия
Цвет:
Светло-серый
Крышка:
Нет
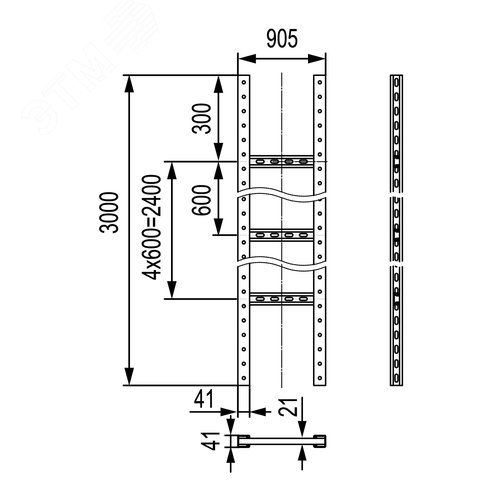
Длина, мм:
3000
Покрытие:
Горячий цинк
Высота, мм:
41
Ширина, мм:
800
Тип изделия:
Лоток лестничный
Материал изделия:
Сталь
Климатическое исполнение:
ОМ1, Т1, У1, УХЛ1, УХЛ5, ХЛ1
Толщина материала изделия:
2.5

Похожие товары

Воздушный автоматический выключатель YON pro ANX25X 4P 2500 А 100 кА,  типоразмер M, расцепитель ETE, выкатной, горизонтальное подключение,  управление 220 В AC

Воздушный автоматический выключатель YON pro ANX25X 4P 2500 А 100 кА, типоразмер M, расцепитель ETE, выкатной, горизонтальное подключение, управление 220 В AC

DKC

от 1 783 687 ₽

Реле электромеханическое универсальное миниатюрное, монтаж на печатную плату или в розетку, выводы с шагом 3.5мм, 1NO 10A, контакты AgNi, катушка 12В AC, степень защиты RTII

Реле электромеханическое универсальное миниатюрное, монтаж на печатную плату или в розетку, выводы с шагом 3.5мм, 1NO 10A, контакты AgNi, катушка 12В AC, степень защиты RTII

FINDER

от 516 ₽

Угол вертикальный внутренний 45 градусов 50х600 1,5 мм горячеоцинкованный в комплекте крепежные элементы соединительные пластины

Угол вертикальный внутренний 45 градусов 50х600 1,5 мм горячеоцинкованный в комплекте крепежные элементы соединительные пластины

DKC

от 11 978 ₽

Реле электромеханическое универсальное миниатюрное, монтаж в розетку, 4CO 7A, контакты AgNi, катушка 125В АC, степень защиты RTI, опции: кнопка тест + мех.индикатор

Реле электромеханическое универсальное миниатюрное, монтаж в розетку, 4CO 7A, контакты AgNi, катушка 125В АC, степень защиты RTI, опции: кнопка тест + мех.индикатор

FINDER

от 1 052 ₽

Труба гладкостенная двухслойная полимерная д. 180мм толщ. 16,4 мм, SN64 отрезок 11,7м, цвет красный

Труба гладкостенная двухслойная полимерная д. 180мм толщ. 16,4 мм, SN64 отрезок 11,7м, цвет красный

DKC

от 48 307 ₽

Фото отсутствует

Модуль интерфейсный 1CO 16A 230В AC + розетка винтовые клеммы метал. клипса + LED и варистор (40.61.8.230.0000 + 99.02.0.230.98 + 95.05.9SMA) AgCdO IP20

FINDER

от 1 622 ₽