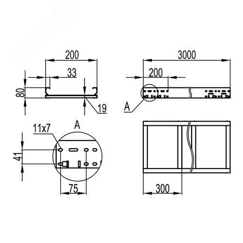
Лоток листовой неперфорированный 80х200 лонжерон 1.5мм L=3000мм горячеоцинкованный

Лоток листовой неперфорированный 80х200 лонжерон 1.5мм L=3000мм горячеоцинкованный

Производитель: DKC

Оптовая цена от
5 014 ₽

Купить в розницу

Товар временно недоступен на маркетплейсах

Оптовый заказ

Для оптовых заказов напишите нам на почту:

opt@peak-leds.ru
Артикул: UNM382HDZ

Характеристики

Тяжелые лотки листового типа используются для прокладки кабелей на длинных пролетах, например, на промышленных объектах, на верфях и в портах, в производственно-складских помещениях. Листовой лоток состоит из двух перфорированных лонжеронов, соединенных поперечными траверсами и неперфорированными металлическими пластинами. Такая конструкция обеспечивает высокую несущую способность (до 170 кг/м - на пролетах 6 метров, и до 70 кг/м - на пролетах 9 метров), сейсмостойкость и простой доступ к кабелю. Специальный аксессуары обеспечивают плавный изгиб и предотвращают риск повреждения кабеля при прокладке. Исполнение лотка 'Горячий цинк' позволяет эксплуатировать кабельную трассу в условиях агрессивной среды и повышенной влажности. Лотки серии 'U5 Combitech' имеют свидетельства Российского морского регистра судоходства и соответствуют требованиям ГОСТ 30546.1-98 по сейсмоустойчивости.

Страна производства:
Россия
Цвет:
Светло-серый
Длина, мм:
3000
Масса, кг:
5.104
Покрытие:
Горячий цинк
Тип лотка:
Неперфорированный
Высота, мм:
80
Ширина, мм:
200
Исполнение:
Без разъема
Тип изделия:
Лоток неперфорированный
Материал изделия:
Сталь
Толщина лонжерона:
1.5
Климатическое исполнение:
ОМ1/У1/УХЛ(1,5)/ХЛ1
Площадь полезного сечения:
12000
Толщина материала изделия:
1.5
Дополнительная информация:
Гальванопокрытие методом горячего погружения