Лоток листовой неперфорированный 150х600 лонжерон 2мм L=6м цинк-ламельный
Производитель: DKC
Купить в розницу
Товар временно недоступен на маркетплейсах
Характеристики
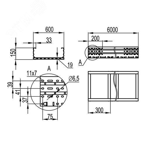
Тяжелые лотки листового типа используются для прокладки кабелей на длинных пролетах, например, на промышленных объектах, на верфях и в портах, в производственно-складских помещениях. Листовой лоток состоит из двух перфорированных лонжеронов, соединенных поперечными траверсами и неперфорированными металлическими пластинами. Такая конструкция обеспечивает высокую несущую способность, сейсмостойкость и простой доступ к кабелю. Исполнение лотков - 'цинк-ламельное покрытие'. Это покрытие на основе магниевой смолы с цинковыми и алюминиевыми хлопьями демонстрирует лучшие показатели коррозионной устойчивости, чем цинковое покрытие той же толщины, и лишь ненамного уступает нержавеющей стали. Лотки серии 'U5 Combitech' имеют свидетельства Российского морского регистра судоходства и соответствуют требованиям ГОСТ 30546.1-98 по сейсмоустойчивости.
Похожие товары
Лоток перфорированный 50x50х4000, 1,5 мм
DKC
от 1 114 ₽
Муфта кабельная соединительная 3РСТ-10-35/50
КВТ
от 13 622 ₽
Кабель волоконно-оптический. модульный. с защитой стекловолоконными нитями. для прокладки в канализаци. нг(А)-HF. 12 ОВ. категорияOM2 (G.651.1) диэлектрический. 2.7 кН
DKC
от 466 ₽
Петли для навесных корпусов ST, STE, оцинкованная сталь, укороченный штифт, 2 шт
DKC
от 1 607 ₽
Угол лестничный 90 градусов 100x1000
DKC
от 21 280 ₽
Ввод кабельный Ех ВКВБ2-НР-G3/4-14-20 1Ex db e II Gb X ГОФРОМАТИК
АО "ЗЭТА"
от 8 586 ₽