Подвес вертикальный двойной 41х21х1200 мм горячеоцинкованный
Оптовая цена от
3 884 ₽

Купить в розницу

Товар временно недоступен на маркетплейсах

Оптовый заказ

Для оптовых заказов напишите нам на почту:

opt@peak-leds.ru
Артикул: BSD2112HDZ

Характеристики

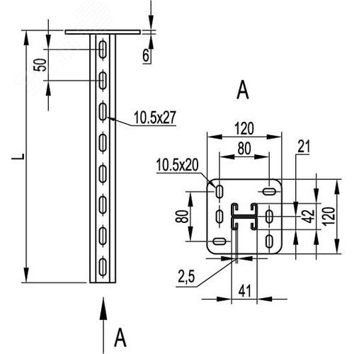
Двойной вертикальный подвес BSD-21, применяется для монтажа консолей - ВВН-60, ВВН-70, ВВН-80, BBD-21/41. Параметры С-образного двойного профиля подвеса 41х21 мм, толщина профиля подвеса 2,5 мм, толщина пластины 6 мм. Назначение - одно/двусторонний и параллельный монтаж кабельных трасс. Подвес монтируется к полу или потолку. Длина подвеса - 1200 мм. Противокоррозионное цинкнаполненное покрытие повышает срок службы изделия в условиях агрессивных сред и высокой влажности.

Штрихкод:
4690309189603
Страна производства:
Россия
Цвет:
Светло-серый
Резьба:
M10
Длина, мм:
1200
Масса, кг:
5.06
Покрытие:
Горячий цинк
Высота, мм:
120
Ширина, мм:
120
Тип изделия:
Подвес
Преимущества:
Монтаж в потолок или в пол|Совместим с металлическими лотками и аксессуарами ДКС любой серии|Повышенный срок службы в агрессивных средах и высокой влажности
Материал изделия:
Сталь
Климатическое исполнение:
УХЛ(1,5)
Толщина материала изделия:
2.5
Дополнительная информация:
Гальванопокрытие методом горячего погружения
Рекомендованный проектный ассортимент:
Да