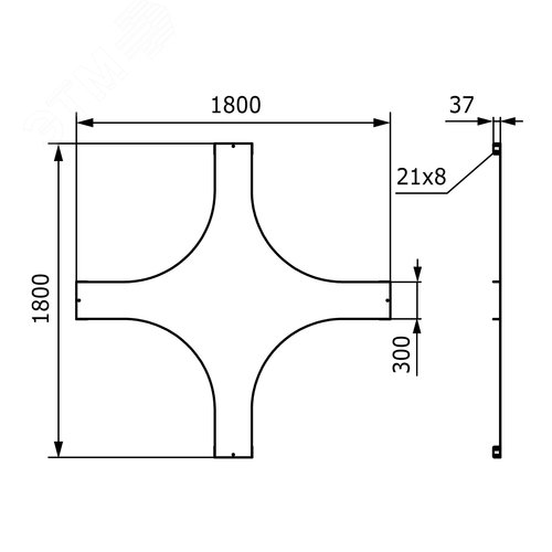
Крышка на X-ответвитель 300 R=660мм
Производитель: DKC
Купить в розницу
Товар временно недоступен на маркетплейсах
Характеристики
Входящие в состав системы ''U5 Combitech'' аксессуары применяются для усложнения конструктива трассы и повышения уровня защиты кабеля. Крышка на Х-образный ответвитель предназначена для защиты кабеля и кабельной трассы от осадков и мусора, который может попасть внутрь аксессуара. Применяется при горизонтальной прокладке трассы. Крышка подбирается в соответствии с параметрами аксессуара, совместно с которым она используется. Эта крышка изготовлена из стали толщиной 1 мм и предназначена для применения вместе с аксессуаром, ширина - 300 мм. Крышка закрепляется винтовым методом с помощью гайки М6 (код СМ100600) и болта М6х10 (код СМ010610).
Похожие товары
Профиль криволинейный, L1129, толщина2,5 мм, на 9 рожков, цинк-ламель
DKC
от 938 ₽
Рамы крыши и дна для шкафов CQE N оцинкованные ШхГ 1000x600 мм
DKC
от 15 843 ₽
Станция насосная Вихревик 40/40 Ч-14, чугун
Джилекс
от 7 927 ₽
Реле электромеханическое силовое миниатюрное, монтаж в розетку или наконечники Faston (4.8х0.5мм), 4CO 12A, контакты AgNi, катушка 12В DC, степень защиты RTI, опции: кнопка тест + мех.индикатор
FINDER
от 2 267 ₽
Выключатель автоматический YON max MGS800H 3P 320-800А 75кА с электронным расцепителем ETS
DKC
от 79 805 ₽
Труба ПНД гибкая гофр. д.16мм, лёгкая с протяжкой, 50м, цвет чёрный
DKC
от 27 ₽