Лоток листовой неперфорированный 80х500 лонжерон 2мм L=6м цинк-ламельный
Производитель: DKC
Купить в розницу
Товар временно недоступен на маркетплейсах
Характеристики
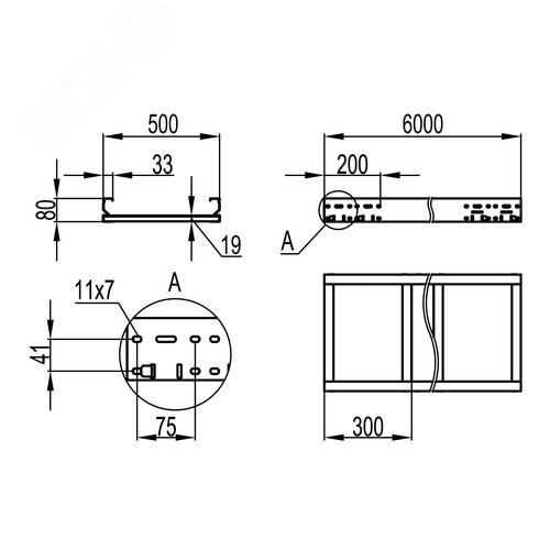
Тяжелые лотки листового типа используются для прокладки кабелей на длинных пролетах, например, на промышленных объектах, на верфях и в портах, в производственно-складских помещениях. Листовой лоток состоит из двух перфорированных лонжеронов, соединенных поперечными траверсами и неперфорированными металлическими пластинами. Такая конструкция обеспечивает высокую несущую способность, сейсмостойкость и простой доступ к кабелю. Исполнение лотков - 'цинк-ламельное покрытие'. Это покрытие на основе магниевой смолы с цинковыми и алюминиевыми хлопьями демонстрирует лучшие показатели коррозионной устойчивости, чем цинковое покрытие той же толщины, и лишь ненамного уступает нержавеющей стали. Лотки серии 'U5 Combitech' имеют свидетельства Российского морского регистра судоходства и соответствуют требованиям ГОСТ 30546.1-98 по сейсмоустойчивости.
Похожие товары
Навесной кондиционер Slim OUT из нержавеющей стали AISI304 4000 Вт, 400 В, 3 ф, 400x1650x220 мм
DKC
от 414 591 ₽
Переходник RRD правосторонний 200/150 H100 в комплекте с крепежными элементами и соединительными пластинами
DKC
от 5 868 ₽
Реле силовое электромеханическое, монтаж в наконечники Faston 250 (6.3х0.8мм), 2NO 16A, контакты AgCdO (зазор 3 мм), катушка 220В DC, степень защиты RTI, монтажный фланец, опции: нет
FINDER
от 2 290 ₽
Лоток перфорированный 80х300х4000, 1,5 мм
DKC
от 3 290 ₽
Преобразователь частоты STV600 90 кВт 400В с вх. реакт.
Systeme Electric
от 402 600 ₽
Комплект универсальный внешней установки В=200 Ш=400
DKC
от 8 719 ₽