Редукция-заглушка 100x500мм цинк-ламельная
Производитель: DKC
Купить в розницу
Товар временно недоступен на маркетплейсах
Характеристики
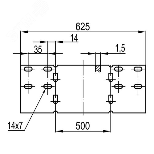
При проектировании и построении кабельных трасс на основе системы тяжелых лотков индустриального назначения ''U5 Combitech'' иногда возникает необходимость соединить лотки различной ширины. В этом случае применяется переходник (или, иначе, редукция). Редукция-заглушка ДКС также используется на концевых участках трассы в качестве торцевой заглушки. На лоток аксессуар устанавливается с помощью метизов - гайки М6 (код СМ100600) и болта М6х16 (код СМ010616). Редукция предназначена для лотков с высотой борта 100 мм. Длина аксессуара - 500 мм. Аксессуары в исполнении ''Цинк-ламельное покрытие'' имеют покрытие на основе магниевой смолы с цинковыми и алюминиевыми хлопьями и демонстрирует лучшие показатели коррозионной устойчивости, чем цинковое покрытие той же толщины, и лишь ненамного уступает нержавеющей стали.
Похожие товары
Трубка термоусадочная ТУТ (HF)-40/20 зел
КВТ
от 147 ₽
Лоток перфорированный 80х200х4000, 2,0 мм, цинк-ламельный
DKC
от 4 002 ₽
Панель перегородочная для IT CQE 2000X600 RAL9005
DKC
от 10 231 ₽
Входной реактор 3Ф 400В 15 кВт / медный
Systeme Electric
от 17 392 ₽
Автоматический выключатель модульный YON макс (YON max) типа MD63S, 4,5кА, 4 полюса, хар-ка C, 3А
DKC
от 1 057 ₽
Реле силовое электромеханическое, монтаж в розетку или наконечники Faston 187 (4.8х0.5мм), 3CO 16A, контакты AgCdO, катушка 12В DC, степень защиты RTI, опции: нет
FINDER
от 1 586 ₽