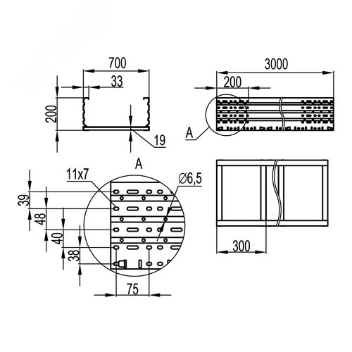
Лоток листовой неперфорированный 200x700 лонжерон 2мм L=3м цинк-ламельный
Производитель: DKC
Купить в розницу
Товар временно недоступен на маркетплейсах
Характеристики
Тяжелые лотки листового типа используются для прокладки кабелей на длинных пролетах, например, на промышленных объектах, на верфях и в портах, в производственно-складских помещениях. Листовой лоток состоит из двух перфорированных лонжеронов, соединенных поперечными траверсами и неперфорированными металлическими пластинами. Такая конструкция обеспечивает высокую несущую способность, сейсмостойкость и простой доступ к кабелю. Исполнение лотков - 'цинк-ламельное покрытие'. Это покрытие на основе магниевой смолы с цинковыми и алюминиевыми хлопьями демонстрирует лучшие показатели коррозионной устойчивости, чем цинковое покрытие той же толщины, и лишь ненамного уступает нержавеющей стали. Лотки серии 'U5 Combitech' имеют свидетельства Российского морского регистра судоходства и соответствуют требованиям ГОСТ 30546.1-98 по сейсмоустойчивости.
Похожие товары
Ввод кабельный Ех ВКВБ1-ЛР-G1 1/4-26-33 1Ex db e II Gb X ГОФРОМАТИК
АО "ЗЭТА"
от 3 557 ₽
Гильза 20 (2.8) аксиальная монтажная, латунная
Valtec
от 96 ₽
Манометр радиальный VT.TM40 Dy40 1/8' 0-10 бар для подпиточного клапана
Valtec
от 324 ₽
Гильза кабельная ГМЛ(DIN) 400
КВТ
от 5 445 ₽
Модуль интерфейсный сборка 55.32.8.120.0040 + 99.02.0.230.98 + 94.02SPA, электромеханическое реле, 2CO 10A, контакты AgNi, питание 120В AC, IP20, винтовые клеммы, пластиковая клипса, LED + варистор
FINDER
от 1 790 ₽
Соединитель термокомпенсационный для лотка S5/L5 H80 цинк-ламельный (аналог горячеоцинкованный) метизы в комплекте
DKC
от 764 ₽