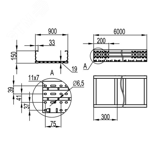
Лоток листовой неперфорированный 150х900х6000 лонжерон 1.5мм цинк-ламельный
Производитель: DKC
Купить в розницу
Товар временно недоступен на маркетплейсах
Характеристики
Тяжелые лотки листового типа используются для прокладки кабелей на длинных пролетах, например, на промышленных объектах, на верфях и в портах, в производственно-складских помещениях. Листовой лоток состоит из двух перфорированных лонжеронов, соединенных поперечными траверсами и неперфорированными металлическими пластинами. Такая конструкция обеспечивает высокую несущую способность, сейсмостойкость и простой доступ к кабелю. Исполнение лотков - 'цинк-ламельное покрытие'. Это покрытие на основе магниевой смолы с цинковыми и алюминиевыми хлопьями демонстрирует лучшие показатели коррозионной устойчивости, чем цинковое покрытие той же толщины, и лишь ненамного уступает нержавеющей стали. Лотки серии 'U5 Combitech' имеют свидетельства Российского морского регистра судоходства и соответствуют требованиям ГОСТ 30546.1-98 по сейсмоустойчивости.
Похожие товары
Крышка на переходник RRD правосторонний 200/150, цинк-ламельная в комплекте с метизами и пластинами PTCE
DKC
от 2 088 ₽
Лоток перфорированный 150х50х3000 цинк-ламельный
DKC
от 1 774 ₽
Винт гладкая головка квадратный подголовник мм6х16 горячеоцинкованный
DKC
от 16 ₽
Рама поворотная центрированная 44U для 19 оборудования для корпусов CQE & CQE N, ВхШ 2200х600 мм
DKC
от 22 760 ₽
Счетчик воды универсальный многоструйный Р 1' (Ду25), Qn=3,5м3/час, L=260мм, с импульсным выходом, вес импульса 10л/имп
Пульсар
Цена по запросу
Кабель ВВГ нг(А)LS 3х6.0 0.66кВ (бухта)
ЭлПром
от 338 ₽