Лоток листовой неперфорированный 100х400 лонжерон 2мм L=3м цинк-ламельный
Производитель: DKC
Купить в розницу
Товар временно недоступен на маркетплейсах
Характеристики
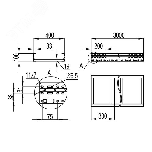
Тяжелые лотки листового типа используются для прокладки кабелей на длинных пролетах, например, на промышленных объектах, на верфях и в портах, в производственно-складских помещениях. Листовой лоток состоит из двух перфорированных лонжеронов, соединенных поперечными траверсами и неперфорированными металлическими пластинами. Такая конструкция обеспечивает высокую несущую способность, сейсмостойкость и простой доступ к кабелю. Исполнение лотков - 'цинк-ламельное покрытие'. Это покрытие на основе магниевой смолы с цинковыми и алюминиевыми хлопьями демонстрирует лучшие показатели коррозионной устойчивости, чем цинковое покрытие той же толщины, и лишь ненамного уступает нержавеющей стали. Лотки серии 'U5 Combitech' имеют свидетельства Российского морского регистра судоходства и соответствуют требованиям ГОСТ 30546.1-98 по сейсмоустойчивости.
Похожие товары
Вилка кабельная CP IP44 32A 3P+E+N 400В c фазоинвертером
DKC
от 1 541 ₽
Комплект донных пластин 3-секционных ШхГ 1200x800 мм, по ширине
DKC
от 3 464 ₽
Воздушный автоматический выключатель YON pro ANX10N 3P 1000 А 66 кА, типоразмер S, расцепитель ETH, выкатной, горизонтальное/вертикальное подключение, управление 220 В AC
DKC
от 710 344 ₽
Реле электромеханическое универсальное миниатюрное, монтаж на печатную плату или в розетку, выводы с шагом 3.5мм, 1NO 10A, контакты AgCdO, катушка 12В DC, степень защиты RTII
FINDER
от 426 ₽
Муфта кабельная соединительная 1ПСТ-10-300/400(Б) нг-LS
КВТ
от 9 144 ₽
Устройство плавного пуска STS22 55 кВт 400В со встр. байпас
Systeme Electric
от 120 780 ₽