Редукция-заглушка 100x1000мм цинк-ламельная
Производитель: DKC
Купить в розницу
Товар временно недоступен на маркетплейсах
Характеристики
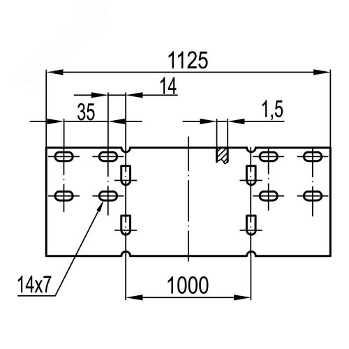
При проектировании и построении кабельных трасс на основе системы тяжелых лотков индустриального назначения ''U5 Combitech'' иногда возникает необходимость соединить лотки различной ширины. В этом случае применяется переходник (или, иначе, редукция). Редукция-заглушка ДКС также используется на концевых участках трассы в качестве торцевой заглушки. На лоток аксессуар устанавливается с помощью метизов - гайки М6 (код СМ100600) и болта М6х16 (код СМ010616). Редукция предназначена для лотков с высотой борта 100 мм. Длина аксессуара - 1000 мм. Аксессуары в исполнении ''Цинк-ламельное покрытие'' имеют покрытие на основе магниевой смолы с цинковыми и алюминиевыми хлопьями и демонстрирует лучшие показатели коррозионной устойчивости, чем цинковое покрытие той же толщины, и лишь ненамного уступает нержавеющей стали.
Похожие товары
Угол вертикальный внутренний 90 градусов 80х150 1,2 мм горячеоцинкованный в комплекте крепежные элементы соединительные пластины
DKC
от 6 235 ₽
Монтажная плата частичная перфорированная для шкафа CQE (ВхШ) 500x400 мм
DKC
от 2 345 ₽
Насос циркуляционный RS 25/6-180 с гайками
Valtec
от 3 639 ₽
AQARA Камера хаб G3, модель CH-H03
Aqara
от 10 798 ₽
Крепеж шпильки М8 балке 10-15 мм горизонтальный монтаж
DKC
от 541 ₽
Маркер для кабеля сечением 0,5-1,5мм символ ''-'', голубой (200 маркеров в упаковке)
DKC
от 1,54 ₽