Подвес вертикальный двойной 41х21х300 мм горячеоцинкованный
Оптовая цена от
1 582 ₽

Купить в розницу

Товар временно недоступен на маркетплейсах

Оптовый заказ

Для оптовых заказов напишите нам на почту:

opt@peak-leds.ru
Артикул: BSD2103HDZ

Характеристики

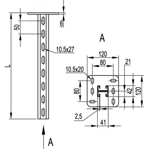
Вертикальный подвес BSD-21 используется при монтаже кабельных трасс на консолях - ВВН-60, ВВН-70, BBD-21, ВВР-21/41. Одно/двусторонний и параллельный монтаж кабельных трас. Они крепятся вертикально - к полу или потолку. С-образный двойной профиль подвеса 41х21 мм. Длина 300 мм, толщина профиля подвеса - 2,5 мм, толщина пластины - 6 мм. В основании 6 отверстий под метизы М10. Противокоррозионное цинкнаполненное покрытие повышает срок службы изделия в условиях агрессивных сред и высокой влажности.

Штрихкод:
4690309189559
Страна производства:
Россия
Цвет:
Светло-серый
Резьба:
M10
Длина, мм:
300
Масса, кг:
1.76
Покрытие:
Горячий цинк
Высота, мм:
120
Ширина, мм:
120
Тип изделия:
Подвес
Преимущества:
Монтаж в потолок или в пол|Совместим с металлическими лотками и аксессуарами ДКС любой серии|Повышенный срок службы в агрессивных средах и высокой влажности
Материал изделия:
Сталь
Климатическое исполнение:
УХЛ(1,5)
Толщина материала изделия:
2.5
Дополнительная информация:
Гальванопокрытие методом горячего погружения
Рекомендованный проектный ассортимент:
Да