Крышка на переходник RRS левосторонний 500/400, цинк-ламельная в комплекте с метизами и пластинами PTCE

Крышка на переходник RRS левосторонний 500/400, цинк-ламельная в комплекте с метизами и пластинами PTCE

Производитель: DKC

Оптовая цена от
4 549 ₽

Купить в розницу

Товар временно недоступен на маркетплейсах

Оптовый заказ

Для оптовых заказов напишите нам на почту:

opt@peak-leds.ru
Артикул: 38173KZL

Характеристики

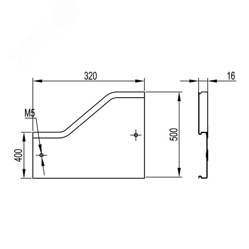
Крышка на левосторонний переходник RRS легко и надежно фиксируется, защищая кабель от негативного воздействия воды и крупных частиц. При необходимости крышку можно на время снять для доступа к кабелю – для этого не требуется специальных инструментов. Аксессуары в исполнении ''Цинк-ламель'' имеют специальное покрытие, в состав которого входит алюминий, цинк и магний. Такое покрытие обеспечивает электрохимическую и барьерную защиту от коррозии. Показатели коррозионной стойкости цинк-ламельного покрытия ДКС аналогичны показателям горячеоцинкованного покрытия. Крышка подходит для переходника с ширины 500 мм на ширину 400 мм. Крышка поставляется в комплекте с крепежными элементами, необходимыми для качественного и надежного монтажа.

Страна производства:
Россия
Длина, мм:
320
Покрытие:
Цинк-ламель
Ширина, мм:
500
Тип изделия:
Крышка на переходник
Материал изделия:
Сталь оцинкованная, цинк-ламельное покрытие
Климатическое исполнение:
У1, ХЛ1, УХЛ1, УХЛ5, ОМ1, Т1
Толщина материала изделия:
0.8