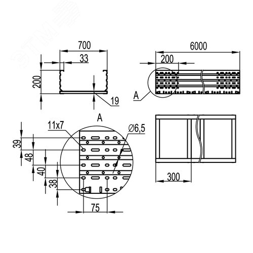
Лоток листовой неперфорированный 200x700х6000 лонжерон 1.5мм цинк-ламельный
Производитель: DKC
Купить в розницу
Товар временно недоступен на маркетплейсах
Характеристики
Тяжелые лотки листового типа используются для прокладки кабелей на длинных пролетах, например, на промышленных объектах, на верфях и в портах, в производственно-складских помещениях. Листовой лоток состоит из двух перфорированных лонжеронов, соединенных поперечными траверсами и неперфорированными металлическими пластинами. Такая конструкция обеспечивает высокую несущую способность, сейсмостойкость и простой доступ к кабелю. Исполнение лотков - 'цинк-ламельное покрытие'. Это покрытие на основе магниевой смолы с цинковыми и алюминиевыми хлопьями демонстрирует лучшие показатели коррозионной устойчивости, чем цинковое покрытие той же толщины, и лишь ненамного уступает нержавеющей стали. Лотки серии 'U5 Combitech' имеют свидетельства Российского морского регистра судоходства и соответствуют требованиям ГОСТ 30546.1-98 по сейсмоустойчивости.
Похожие товары
Маркер для кабеля сечением 0,5-1,5мм пустой жёлтый (200 маркеров в упаковке)
DKC
от 1,54 ₽
Комплект панелей цоколя, Ш/Г=1600 мм, В=100 мм, 1 кмп = 2 шт.
DKC
от 6 752 ₽
Реле субминиатюрное электромеханическое двухрядное, монтаж на печатную плату, 2CO 2A, контакты AgNi+Au, катушка 12В DC, влагозащита RTIII
FINDER
от 357 ₽
Блок распределительный, зажим push-in, 12 точек подключения 2,5 кв.мм, серый
DKC
от 585 ₽
Лоток перфорированный 50x100х3000, 2,0 мм, цинк-ламельный
DKC
от 2 301 ₽
Крышка с заземлением на лоток осн.100, толщ. 2,0, L3000
DKC
от 1 124 ₽