Ответвитель DPT Т-образный горизонтальный 300х100 в комплекте крепежные элементы соединительные пластины

Ответвитель DPT Т-образный горизонтальный 300х100 в комплекте крепежные элементы соединительные пластины

Производитель: DKC

Оптовая цена от
9 545 ₽

Купить в розницу

Товар временно недоступен на маркетплейсах

Оптовый заказ

Для оптовых заказов напишите нам на почту:

opt@peak-leds.ru
Артикул: 36164KHDZ

Характеристики

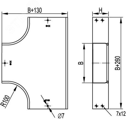
При построении сложных кабельных трасс необходимы специальные аксессуары - повороты и ответвители. С их помощью можно конструировать и собирать кабельные трассы сложного конструктива. Т-образный тройник (ответвитель) DPT позволяет создавать ответвления трассы в горизонтальной и вертикальной плоскости. В состав комплектного аксессуара входят соединительные пластины и крепежные элементы, необходимые для надежного и качественного монтажа. Ширина - 300 мм, высота - 100 мм. Исполнение - ''Горячий цинк''. Это специальное исполнение, которое отличается повышенной устойчивостью к коррозии. Изделия с таким покрытием можно применять даже в условиях агрессивной среды, повышенной влажности, солевого тумана.

Штрихкод:
4690309502419
Страна производства:
Россия
Цвет:
Светло-серый
Покрытие:
Горячий цинк
Высота, мм:
100
Ширина, мм:
430
Тип изделия:
Крышка T-ответвителя
Преимущества:
Поставляются в комплекте с крепежными элементами|Комплект крепежа, сопровождающий аксессуар, делает монтаж простым и быстрым за счет отсутствия необходимости подбора подходящего крепежа на объекте|Применение комплектных аксессуаров позволяет свести к нулю ошибки расчета количества и подбора крепежа в процессе проектирования|Исключает риск развития электрохимической коррозии, возникающей при ошибочном подборе крепежа из несовместимых материалов|Выполнено в исполнении горячий цинк с толщиной цинкового слоя от 55 мкм до 120 мкм, благодаря чему может применяться, например, в помещениях с высокой влажностью и низкой загрязненностью, в воздушных зонах городов и промышленных предприятий|Обеспечивают плавный изгиб трассы|Плавный поворот способствует сохранению целостности кабеля
Материал изделия:
Сталь
Климатическое исполнение:
ОМ1, Т1, У1, УХЛ1, УХЛ5, ХЛ1
Толщина материала изделия:
0.8
Рекомендованный проектный ассортимент:
Да