Редукция-заглушка 200x300мм цинк-ламельная
Производитель: DKC
Купить в розницу
Товар временно недоступен на маркетплейсах
Характеристики
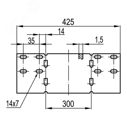
При проектировании и построении кабельных трасс на основе системы тяжелых лотков индустриального назначения ''U5 Combitech'' иногда возникает необходимость соединить лотки различной ширины. В этом случае применяется переходник (или, иначе, редукция). Редукция-заглушка ДКС также используется на концевых участках трассы в качестве торцевой заглушки. На лоток аксессуар устанавливается с помощью метизов - гайки М6 (код СМ100600) и болта М6х16 (код СМ010616). Редукция предназначена для лотков с высотой борта 200 мм. Длина аксессуара - 300 мм. Аксессуары в исполнении ''Цинк-ламельное покрытие'' имеют покрытие на основе магниевой смолы с цинковыми и алюминиевыми хлопьями и демонстрирует лучшие показатели коррозионной устойчивости, чем цинковое покрытие той же толщины, и лишь ненамного уступает нержавеющей стали.
Похожие товары
Воздушный автоматический выключатель YON pro ANX40X 3P 4000 А 100 кА, типоразмер M, расцепитель ETH, выкатной, горизонтальное подключение, управление 220 В AC
DKC
от 2 359 318 ₽
Патч-корд оптический двухволоконный (Duplex) LC-UPC/LC-UPC, 9/125 OS2, 7 м
DKC
от 4 224 ₽
Кабель силовой ВВГнг(А)-LS 3х6-0.660 барабан ТРТС
Металлист
от 331 ₽
Ввод кабельный Ех ВКВ2-ЛР-М50-45 1Ex db e II Gb X ГОФРОМАТИК
АО "ЗЭТА"
от 3 300 ₽
Металлорукав Р3-ЦА 25 (50 м/уп.) ГОФРОМАТИК
АО "ЗЭТА"
от 295 ₽
Кран шаровой трехходовой 1/2' ВВ тип Т
Valtec
от 1 039 ₽