Лоток листовой неперфорированный 200x300х6000 лонжерон 1.5мм цинк-ламельный
Производитель: DKC
Купить в розницу
Товар временно недоступен на маркетплейсах
Характеристики
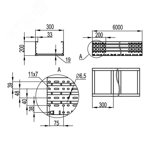
Тяжелые лотки листового типа используются для прокладки кабелей на длинных пролетах, например, на промышленных объектах, на верфях и в портах, в производственно-складских помещениях. Листовой лоток состоит из двух перфорированных лонжеронов, соединенных поперечными траверсами и неперфорированными металлическими пластинами. Такая конструкция обеспечивает высокую несущую способность, сейсмостойкость и простой доступ к кабелю. Исполнение лотков - 'цинк-ламельное покрытие'. Это покрытие на основе магниевой смолы с цинковыми и алюминиевыми хлопьями демонстрирует лучшие показатели коррозионной устойчивости, чем цинковое покрытие той же толщины, и лишь ненамного уступает нержавеющей стали. Лотки серии 'U5 Combitech' имеют свидетельства Российского морского регистра судоходства и соответствуют требованиям ГОСТ 30546.1-98 по сейсмоустойчивости.
Похожие товары
Крышка на угол вертикальный внутренний 45 градусов, 80х300 R300 в комплекте с крепежными элементами и соединительными пластинами,необходимыми для монтажа
DKC
от 1 368 ₽
Профиль П-образный PSM L300 толщина 2.5 мм цинк-ламельный
DKC
от 477 ₽
Кабель силовой ВВГ-Пнг(А)-LS 3х4ок-1 (100м) ТРТС
Металлист
от 207 ₽
Реле промышленное бистабильное, монтаж на рейку 35мм, кнопки SET, RESET, 4CO 8A, Контакты AgNi, бистабильная катушка 2 обмотки, питание 24В DС, степень защиты IP20
FINDER
от 28 781 ₽
Хомут из нержавеющей стали (50шт)
DKC
от 38 ₽
Лоток 50х35 L3000, горячеоцинкованная сталь
DKC
от 1 045 ₽