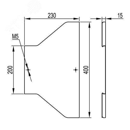
Крышка на переходник RRC симметричный 400/200, цинк-ламельная в комплекте с метизами и пластинами PTCE
Производитель: DKC
Купить в розницу
Товар временно недоступен на маркетплейсах
Характеристики
Крышка на симметричный переходник RRC легко и надежно фиксируется, защищая кабель от негативного воздействия воды и крупных частиц. При необходимости крышку можно на время снять для доступа к кабелю – для этого не требуется специальных инструментов. Крышка подходит для переходника с ширины 400 мм на ширину 200 мм. Аксессуары в исполнении ''Цинк-ламель'' имеют специальное покрытие, в состав которого входит алюминий, цинк и магний. Такое покрытие обеспечивает электрохимическую и барьерную защиту от коррозии. Показатели коррозионной стойкости цинк-ламельного покрытия ДКС аналогичны показателям горячеоцинкованного покрытия. Крышка поставляется в комплекте с крепежными элементами, необходимыми для качественного и надежного монтажа.
Похожие товары
Реле электромеханическое универсальное миниатюрное, монтаж на печатную плату или в розетку, выводы с шагом 3.5мм, 1NO 10A, контакты AgCdO, катушка 9В DC, степень защиты RTII
FINDER
от 550 ₽
Стяжка стальная лестничного типа СКЛ-П (316) 12х300 из нержавеющей стали AISI 316 с полимерным покрытием
Fortisflex
от 36 ₽
Ответвитель универсальный 80х500 1,5 мм цинк-ламель в комплекте крепежные элементы соединительные пластины
DKC
от 10 764 ₽
Ввод кабельный Ех ВКВ2МР-НС-М50-33-МР50 1Ex db e II Gb X ГОФРОМАТИК
АО "ЗЭТА"
от 22 624 ₽
Кабель силовой ВВГ-Пнг(А)-LS 2х2,5(N) - 0,66 (бухта 50м)
Конкорд
Цена по запросу
Реле промышленное бистабильное, монтаж в розетку 90 серии, кнопки SET, RESET, 2CO 8A, Контакты AgNi, бистабильная катушка 2 обмотки, питание 110-125В DС, степень защиты IP20
FINDER
от 29 282 ₽