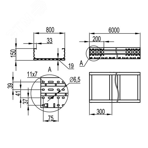
Лоток листовой неперфорированный 150х800 лонжерон 2мм L=6м цинк-ламельный
Производитель: DKC
Купить в розницу
Товар временно недоступен на маркетплейсах
Характеристики
Тяжелые лотки листового типа используются для прокладки кабелей на длинных пролетах, например, на промышленных объектах, на верфях и в портах, в производственно-складских помещениях. Листовой лоток состоит из двух перфорированных лонжеронов, соединенных поперечными траверсами и неперфорированными металлическими пластинами. Такая конструкция обеспечивает высокую несущую способность, сейсмостойкость и простой доступ к кабелю. Исполнение лотков - 'цинк-ламельное покрытие'. Это покрытие на основе магниевой смолы с цинковыми и алюминиевыми хлопьями демонстрирует лучшие показатели коррозионной устойчивости, чем цинковое покрытие той же толщины, и лишь ненамного уступает нержавеющей стали. Лотки серии 'U5 Combitech' имеют свидетельства Российского морского регистра судоходства и соответствуют требованиям ГОСТ 30546.1-98 по сейсмоустойчивости.
Похожие товары
Модуль интерфейсный сборка 41.81.7.024.9024 + 93.02.0.024, твердотельное реле с таймером мультифункциональные AI,DI,GI,SW, выход 6A 24В DС, питание 24В АС/DC, IP20, винтовые клеммы, упаковка 1шт
FINDER
от 5 053 ₽
Стойки вертикальные дополнительные В=1800 мм (1521мм), комплект 2 шт.
DKC
от 9 425 ₽
Модуль интерфейсный сборка 34.81.7.060.8240 + 93.01.3.240, твердотельное реле, выход 2A 240В AC, питание 230-240В АС/DC, подавление утечки тока, IP20, винтовые клеммы
FINDER
от 3 459 ₽
Угол вертикальный внешний 90 градусов 80х300 1,5 мм горячеоцинкованный в комплекте крепежные элементы соединительные пластины
DKC
от 9 729 ₽
Трансформатор тока CT50 1000A, класс 0.5S, 10ВА
DKC
от 7 108 ₽
Металлорукав DN 20мм в ПВХ изоляции D внутренний 20.5 мм D наружный 25.5 50 м цветчерный
DKC
от 287 ₽