Редукция-заглушка 80x900мм цинк-ламельная
Производитель: DKC
Купить в розницу
Товар временно недоступен на маркетплейсах
Характеристики
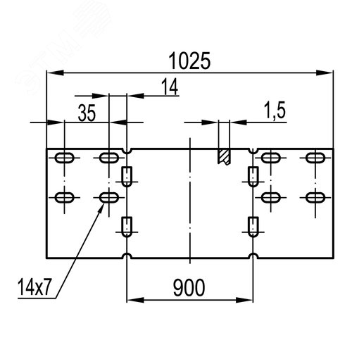
При проектировании и построении кабельных трасс на основе системы тяжелых лотков индустриального назначения ''U5 Combitech'' иногда возникает необходимость соединить лотки различной ширины. В этом случае применяется переходник (или, иначе, редукция). Редукция-заглушка ДКС также используется на концевых участках трассы в качестве торцевой заглушки. На лоток аксессуар устанавливается с помощью метизов - гайки М6 (код СМ100600) и болта М6х16 (код СМ010616). Редукция предназначена для лотков с высотой борта 100 мм. Длина аксессуара - 900 мм. Аксессуары в исполнении ''Цинк-ламельное покрытие'' имеют покрытие на основе магниевой смолы с цинковыми и алюминиевыми хлопьями и демонстрирует лучшие показатели коррозионной устойчивости, чем цинковое покрытие той же толщины, и лишь ненамного уступает нержавеющей стали.
Похожие товары
Крышка на угол горизонтальный 45 градусов 400, 1,5 мм, цинк-ламель, в комплекте с крепежными элементами необходимыми для монтажа
DKC
от 5 962 ₽
Гильза кабельная алюмомедная ГАМ 120/95
КВТ
от 824 ₽
Кабель силовой ВВГ-Пнг(А)-LS 3х4ок(N,PE)-0,66 50м ТРТС
Партнер-Электро
от 214 ₽
Клемма проходная, зажим push-in, 2 точки подключения, 4 кв.мм, синяя
DKC
от 117 ₽
Реле электромеханическое универсальное миниатюрное, монтаж на печатную плату или в розетку, выводы с шагом 5мм, 1CO 16A, контакты AgCdO, катушка 14B DC, степень защиты RTII
FINDER
от 516 ₽
Крышка на переходник RRS левосторонний 300/80 в комплекте с метизами и пластинами PTCE
DKC
от 1 513 ₽