Лоток листовой неперфорированный 80х400х6000 лонжерон 1.5мм цинк-ламельный

Лоток листовой неперфорированный 80х400х6000 лонжерон 1.5мм цинк-ламельный

Производитель: DKC

Оптовая цена от
6 731 ₽

Купить в розницу

Товар временно недоступен на маркетплейсах

Оптовый заказ

Для оптовых заказов напишите нам на почту:

opt@peak-leds.ru
Артикул: UNM684ZL

Характеристики

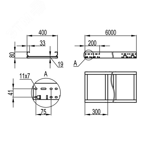
Тяжелые лотки листового типа используются для прокладки кабелей на длинных пролетах, например, на промышленных объектах, на верфях и в портах, в производственно-складских помещениях. Листовой лоток состоит из двух перфорированных лонжеронов, соединенных поперечными траверсами и неперфорированными металлическими пластинами. Такая конструкция обеспечивает высокую несущую способность, сейсмостойкость и простой доступ к кабелю. Исполнение лотков - 'цинк-ламельное покрытие'. Это покрытие на основе магниевой смолы с цинковыми и алюминиевыми хлопьями демонстрирует лучшие показатели коррозионной устойчивости, чем цинковое покрытие той же толщины, и лишь ненамного уступает нержавеющей стали. Лотки серии 'U5 Combitech' имеют свидетельства Российского морского регистра судоходства и соответствуют требованиям ГОСТ 30546.1-98 по сейсмоустойчивости.

Страна производства:
Россия
Цвет:
Светло-серый
Длина, мм:
6000
Покрытие:
Цинк-ламель
Тип лотка:
Неперфорированный
Высота, мм:
80
Ширина, мм:
400
Исполнение:
Без разъема
Тип изделия:
Лоток неперфорированный
Материал изделия:
Сталь
Климатическое исполнение:
ОМ1, Т1, У1, УХЛ1, УХЛ5, ХЛ1
Площадь полезного сечения:
24000
Толщина материала изделия:
1.5