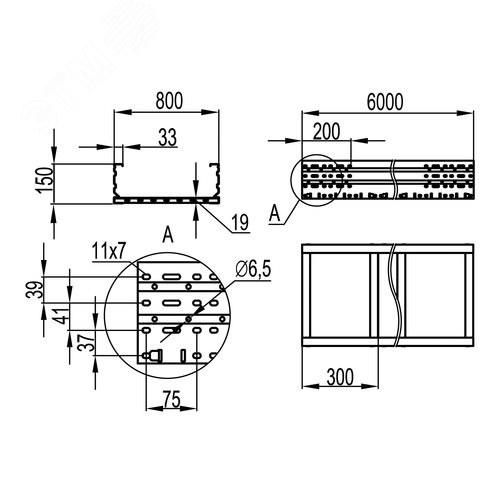
Лоток листовой неперфорированный 150х800х6000 лонжерон 1.5мм цинк-ламельный
Производитель: DKC
Купить в розницу
Товар временно недоступен на маркетплейсах
Характеристики
Тяжелые лотки листового типа используются для прокладки кабелей на длинных пролетах, например, на промышленных объектах, на верфях и в портах, в производственно-складских помещениях. Листовой лоток состоит из двух перфорированных лонжеронов, соединенных поперечными траверсами и неперфорированными металлическими пластинами. Такая конструкция обеспечивает высокую несущую способность, сейсмостойкость и простой доступ к кабелю. Исполнение лотков - 'цинк-ламельное покрытие'. Это покрытие на основе магниевой смолы с цинковыми и алюминиевыми хлопьями демонстрирует лучшие показатели коррозионной устойчивости, чем цинковое покрытие той же толщины, и лишь ненамного уступает нержавеющей стали. Лотки серии 'U5 Combitech' имеют свидетельства Российского морского регистра судоходства и соответствуют требованиям ГОСТ 30546.1-98 по сейсмоустойчивости.
Похожие товары
Лампа сигнальная SB7 моноблочная 22мм белая LED 230В АС
Systeme Electric
от 235 ₽
Кабель силовой ВВГнг(А)-LS 5х4ок(N,PE)-0,66 ТРТС
ЦВЕТЛИТ КЗ
от 354 ₽
Лампа светодиодная LED 8 Вт 640Лм 4000К белая Е27 Шар
JazzWay
от 133 ₽
Блок коллекторный с ручными регулировочными клапанами 1'x8 вых+евроконус 3/4
Valtec
от 17 666 ₽
Крышка на угол CPO 90 горизонтальный 90° 200, в комплекте с крепежными элементами и соединительными пластинами, необходимыми длямонтажа, горячеоцинкованная
DKC
от 2 860 ₽
Розетка телефонная двойная RJ12 Brava слоновая кость 2 модуль
DKC
от 1 363 ₽