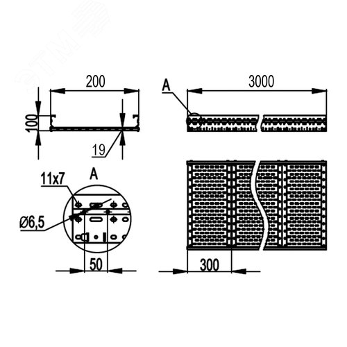
Лоток листовой 100х200 лонжерон 2 мм L=3000мм
Оптовая цена от
5 944 ₽

Купить в розницу

Товар временно недоступен на маркетплейсах

Оптовый заказ

Для оптовых заказов напишите нам на почту:

opt@peak-leds.ru
Артикул: USH312

Характеристики

Тяжелые лотки листового типа используются для прокладки кабелей на длинных пролетах, например, на промышленных объектах, на верфях и в портах, в производственно-складских помещениях. Листовой лоток состоит из двух перфорированных лонжеронов, соединенных поперечными траверсами и перфорированными металлическими пластинами. Такая конструкция обеспечивает высокую несущую способность (до 170 кг/м - на пролетах 6 метров, и до 70 кг/м - на пролетах 9 метров), хорошую вентирируемость трассы, легкость, сейсмостойкость и простой доступ к кабелю. Специальные аксессуары обеспечивают плавный изгиб и предотвращают риск повреждения кабеля при прокладке. Лоток представлен в исполнении 'Сталь, оцинкованная по методу Сендзимира'. Лотки серии 'U5 Combitech' имеют свидетельства Российского морского регистра судоходства и соответствуют требованиям ГОСТ 30546.1-98 по сейсмоустойчивости.

Страна производства:
Россия
Цвет:
Светло-серый
Длина, мм:
3000
Масса, кг:
6.152
Покрытие:
Оцинковано по методу сендзимира
Тип лотка:
Перфорированный
Высота, мм:
100
Ширина, мм:
200
Исполнение:
Без разъема
Тип изделия:
Лоток кабельный
Материал изделия:
Сталь
Толщина лонжерона:
2
Климатическое исполнение:
ОМ2/У2/УХЛ2/ХЛ2
Площадь полезного сечения:
16000
Толщина материала изделия:
2
Дополнительная информация:
Непрерывное холодное цинкование