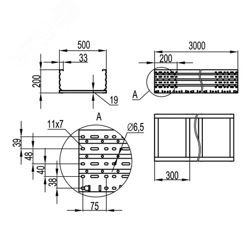
Лоток листовой неперфорированный 200x500, лонжерон 1,5 мм, L 3 м
Производитель: DKC
Купить в розницу
Товар временно недоступен на маркетплейсах
Характеристики
Тяжелые лотки листового типа используются для прокладки кабелей на длинных пролетах, например, на промышленных объектах, на верфях и в портах, в производственно-складских помещениях. Листовой лоток состоит из двух перфорированных лонжеронов, соединенных поперечными траверсами и неперфорированными металлическими пластинами. Такая конструкция обеспечивает высокую несущую способность (до 170 кг/м - на пролетах 6 метров, и до 70 кг/м - на пролетах 9 метров), сейсмостойкость и простой доступ к кабелю. Специальный аксессуары обеспечивают плавный изгиб и предотвращают риск повреждения кабеля при прокладке. Лоток представлен в исполнении 'Сталь, оцинкованная по методу Сендзимира'. Лотки серии 'U5 Combitech' имеют свидетельства Российского морского регистра судоходства и соответствуют требованиям ГОСТ 30546.1-98 по сейсмоустойчивости.
Похожие товары
Трубка термоусадочная ТУТ (HF)-16/8 красн
КВТ
от 40 ₽
Реле силовое электромеханическое, монтаж в розетку или наконечники Faston 187 (4.8х0.5мм), 2NO 16A, контакты AgCdO (зазор 3 мм), катушка 230В АC, степень защиты RTI, опции: нет, упаковка 1шт.
FINDER
от 1 574 ₽
Реле электромеханическое универсальное миниатюрное, монтаж на печатную плату или в розетку, выводы с шагом 5мм, 1NO 10A, контакты AgNi, катушка 9В DC, степень защиты RTII
FINDER
от 499 ₽
Реле электромеханическое универсальное миниатюрное, монтаж на печатную плату или в розетку, выводы с шагом 5мм, 1CO 16A, контакты AgSnO2, катушка 12В AC, влагозащита RTIII
FINDER
от 586 ₽
Боковая монтажная плата для навесных корпусов ВхГ 400x200 мм
DKC
от 1 086 ₽
Муфта кабельная концевая 1ПКВТ-10-35/50(Б) нг-LS
КВТ
от 2 130 ₽