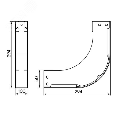
Угол вертикальный внутренний 90 градусов 50х100 2,0 мм в комплекте крепежные элементы соединительные пластины

Угол вертикальный внутренний 90 градусов 50х100 2,0 мм в комплекте крепежные элементы соединительные пластины

Производитель: DKC

Оптовая цена от
5 808 ₽

Купить в розницу

Товар временно недоступен на маркетплейсах

Оптовый заказ

Для оптовых заказов напишите нам на почту:

opt@peak-leds.ru
Артикул: SIH510K

Характеристики

Вертикальный внутренний угол 90 градусов обеспечивает поворот трассы в вертикальной плоскости под углом 90 градусов. В состав комплектного аксессуара входят детали, необходимые для качественного и надежного монтажа- соединительные пластины и крепежные элементы. Угол применяется с лотками линейки ‘S5 Combitech‘ с высотой борта 50 мм и шириной основания 100 мм. Толщина металла - 2,0 мм. Аксессуар представлен в исполнении ‘Сталь, оцинкованная по методу Сендзимира‘.

Штрихкод:
4660241090626
Страна производства:
Россия
Покрытие:
Оцинковано по методу сендзимира
Высота, мм:
50
Ширина, мм:
100
Тип изделия:
Угол вертикальный внутренний
Преимущества:
Аксессуар поставляется в комплекте с крепежными элементами, что обеспечивает надежное соединение, благодяря исполнению крепежа, соответствующему аксессуару|Крепеж, поставляемый в комплекте с каждым аксессуаром, позволяет сократить время на отбор соединительных элементов, а также облегчить монтаж за счет присутствия в комплекте необходимых крепежных элементов в достаточном количестве|Увеличенная толщина аксессуара позволяет повысить несущую способность участка с аксессуаром|Выполнено из оцинкованной стали с массой покрытия не менее 180 г/м2, что соответствует ГОСТ 52868 и ГОСТ 14918 и обеспечивает требуемую надежность и долговечность кабельной линии|Подтверждено протоколами соответствующих испытаний, в том числе в камере соляного тумана
Материал изделия:
Сталь
Климатическое исполнение:
ОМ2, Т2, У2, УХЛ2, ХЛ2
Толщина материала изделия:
2