Редукция-заглушка 200x900мм цинк-ламельная
Производитель: DKC
Купить в розницу
Товар временно недоступен на маркетплейсах
Характеристики
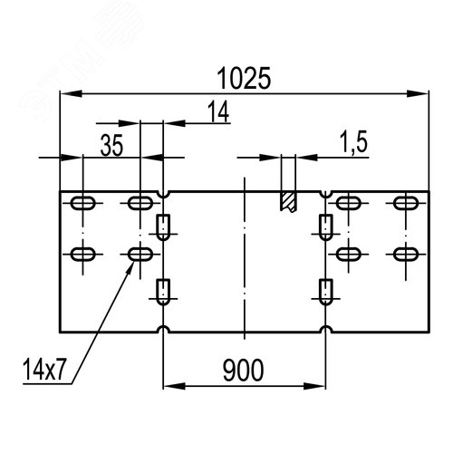
При проектировании и построении кабельных трасс на основе системы тяжелых лотков индустриального назначения ''U5 Combitech'' иногда возникает необходимость соединить лотки различной ширины. В этом случае применяется переходник (или, иначе, редукция). Редукция-заглушка ДКС также используется на концевых участках трассы в качестве торцевой заглушки. На лоток аксессуар устанавливается с помощью метизов - гайки М6 (код СМ100600) и болта М6х16 (код СМ010616). Редукция предназначена для лотков с высотой борта 200 мм. Длина аксессуара - 900 мм. Аксессуары в исполнении ''Цинк-ламельное покрытие'' имеют покрытие на основе магниевой смолы с цинковыми и алюминиевыми хлопьями и демонстрирует лучшие показатели коррозионной устойчивости, чем цинковое покрытие той же толщины, и лишь ненамного уступает нержавеющей стали.
Похожие товары
Заглушка латунная с плоским шлицем ЗР1-ЛР-PG48 IP66/IP67/IP68 ГОФРОМАТИК
АО "ЗЭТА"
от 809 ₽
Реле электромеханическое универсальное миниатюрное, монтаж на печатную плату или в розетку, выводы с шагом 5мм, 1NO 16A, контакты AgCdO, катушка 5В DC (чувствит.), влагозащита RTIII
FINDER
от 552 ₽
Угол листовой 45 градусов 80x1000 горячеоцинкованный
DKC
от 38 050 ₽
Реле электромеханическое универсальное миниатюрное, монтаж в розетку, 3CO 10A, контакты AgNi+Au, катушка 230В АC, степень защиты RTI, опции: нет
FINDER
от 1 766 ₽
Металлорукав в ПВХ-изоляции Р3-ЦП нг LS 25 (50м/уп) черный ГОФРОМАТИК
АО "ЗЭТА"
от 168 ₽
Крышка на угол вертикальный внутренний 45 градусов 100х200, 1,5 мм, горячий цинк, в комплекте с крепежными элементами необходимымидля монтажа
DKC
от 2 603 ₽