Ответвитель DPT Т-образный горизонтальный 300х100 в комплекте крепежные элементы соединительные пластины

Ответвитель DPT Т-образный горизонтальный 300х100 в комплекте крепежные элементы соединительные пластины

Производитель: DKC

Оптовая цена от
9 545 ₽

Купить в розницу

Товар временно недоступен на маркетплейсах

Оптовый заказ

Для оптовых заказов напишите нам на почту:

opt@peak-leds.ru
Артикул: 36164KZL

Характеристики

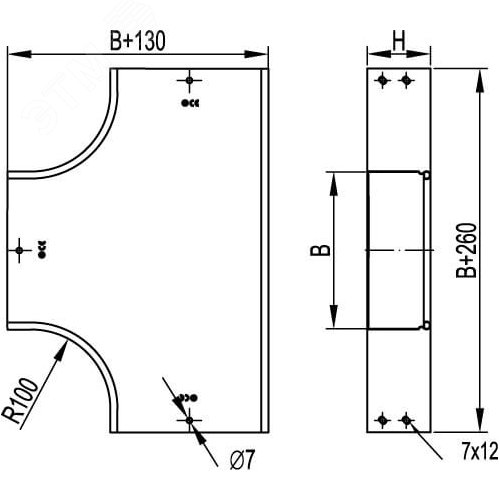
При построении сложных кабельных трасс необходимы специальные аксессуары - повороты и ответвители. С их помощью можно конструировать и собирать кабельные трассы сложного конструктива. Т-образный тройник (ответвитель) DPT позволяет создавать ответвления трассы в горизонтальной и вертикальной плоскости. В состав комплектного аксессуара входят соединительные пластины и крепежные элементы, необходимые для надежного и качественного монтажа. Ширина - 300 мм, высота - 100 мм, внутренний радиус - 100 мм. Аксессуары в исполнении ''Цинк-ламель'' имеют специальное покрытие на основе химически активной магниевой смолы, в которую добавлены хлопья алюминия и цинка. Такое покрытие обеспечивает электрохимическую и барьерную защиту от коррозии. Показатели коррозионной стойкости цинк-ламельного покрытия ДКС аналогичны показателям горячеоцинкованного покрытия.

Штрихкод:
4690309492789
Страна производства:
Россия
Цвет:
Светло-серый
Покрытие:
Цинк-ламель
Высота, мм:
100
Ширина, мм:
430
Тип изделия:
Крышка T-ответвителя
Преимущества:
Поставляются в комплекте с крепежными элементами. Комплект крепежа, сопровождающий аксессуар, делает монтаж простым и быстрым за счет отсутствия необходимости подбора правильного крепежа на объекте|Применение комплектных аксессуаров позволяет свести к нулю ошибки расчета и подбора крепежа в процессе проектирования|Исключает риск развития электрохимической коррозии, возникающей при ошибочном подборе крепежа из несовместимых материалов|Исполнение соответствует 8 классу коррозионной стойкости, благодаря чему изделие может применяться, например, в помещениях с высокой влажностью и низкой загрязненностью, в воздушных зонах городов и промышленных предприятий.
Материал изделия:
Сталь
Климатическое исполнение:
ОМ1, Т1, У1, УХЛ1, УХЛ5, ХЛ1
Толщина материала изделия:
0.8