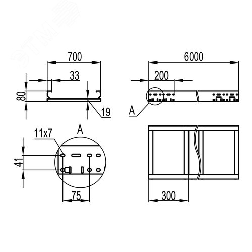
Лоток листовой неперфорированный 80х700, лонжерон 2 мм, L 6 м
Производитель: DKC
Купить в розницу
Товар временно недоступен на маркетплейсах
Характеристики
Тяжелые лотки листового типа используются для прокладки кабелей на длинных пролетах, например, на промышленных объектах, на верфях и в портах, в производственно-складских помещениях. Листовой лоток состоит из двух перфорированных лонжеронов, соединенных поперечными траверсами и неперфорированными металлическими пластинами. Такая конструкция обеспечивает высокую несущую способность (до 170 кг/м - на пролетах 6 метров, и до 70 кг/м - на пролетах 9 метров), сейсмостойкость и простой доступ к кабелю. Специальный аксессуары обеспечивают плавный изгиб и предотвращают риск повреждения кабеля при прокладке. Лоток представлен в исполнении 'Сталь, оцинкованная по методу Сендзимира'. Лотки серии 'U5 Combitech' имеют свидетельства Российского морского регистра судоходства и соответствуют требованиям ГОСТ 30546.1-98 по сейсмоустойчивости.
Похожие товары
Комплект установки, NW32-40, вык. В=600 Ш=800
DKC
от 18 286 ₽
Стяжка кабельная (Хомут) 2,5x200-100BL PA6.6 черная (100 шт/уп) Jazzway
JazzWay
от 88 ₽
Соединитель болтовой 4СБ-25/50
КВТ
от 442 ₽
Основание выносной поворотной рукоятки MFS
Systeme Electric
от 7 291 ₽
Огнестойкая термоусаживаемая трубка в рулоне 12,7/6,4 мм белый
DKC
от 309 ₽
Модуль интерфейсный сборка 34.51.7.024.0010 + 93.66.0.240, электромеханические реле, серия MasterPLUS, 1CO 6A, питание 24-240В AC/DC, IP20, безвинтовые клеммы Push-in
FINDER
от 3 251 ₽