Ответвитель DPT Т-образный горизонтальный 150х50 в комплекте крепежные элементы соединительные пластины

Ответвитель DPT Т-образный горизонтальный 150х50 в комплекте крепежные элементы соединительные пластины

Производитель: DKC

Оптовая цена от
3 650 ₽

Оптовый заказ

Для оптовых заказов напишите нам на почту:

opt@peak-leds.ru
Артикул: 36123K

Характеристики

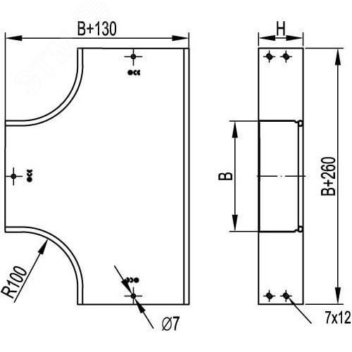
При построении сложных кабельных трасс необходимы специальные аксессуары - повороты и ответвители. С их помощью можно конструировать и собирать кабельные трассы сложного конструктива. Т-образный тройник (ответвитель) DPT позволяет создавать ответвления трассы в горизонтальной и вертикальной плоскости. В состав комплектного аксессуара входят соединительные пластины и крепежные элементы, необходимые для надежного и качественного монтажа. Исполнение аксессуара - ''сталь, оцинкованная по методу Сендзимира'', ширина - 150 мм, высота - 50 мм, внутренний радиус - 100 мм.

Штрихкод:
4690309508732
Страна производства:
Россия
Цвет:
Светло-серый
Покрытие:
Оцинковано по методу сендзимира
Высота, мм:
50
Ширина, мм:
280
Тип изделия:
Крышка T-ответвителя
Преимущества:
Поставляется в комплекте с крепежными элементами. Комплект крепежа, сопровождающий аксессуар, делает монтаж простым и быстрым за счет отсутствия необходимости подбора правильного крепежа на объекте|Применение комплектных аксессуаров позволяет свести к нулю ошибки расчета и подбора крепежа в процессе проектирования|Исключает риск развития электрохимической коррозии, возникающей при ошибочном подборе крепежа из несовместимых материалов|Изготавливается из оцинкованной стали с массой покрытия не менее 180 г/м2, что соответствует ГОСТ 52868-2021 и ГОСТ 14918 - 2020, и обеспечивает требуемую надежность и долговечность кабельной линии. Подтверждено протоколами соответствующих испытаний, в том числе в камере соляного тумана|Обеспечивает плавный изгиб трассы. Плавный поворот способствует сохранению целостности кабеля.
Материал изделия:
Сталь
Климатическое исполнение:
ОМ2, Т2, У2, УХЛ2, ХЛ2
Толщина материала изделия:
0.8
Рекомендованный проектный ассортимент:
Да