Угол 80x40мм внешний изменяемый 70-120 градусов

Угол 80x40мм внешний изменяемый 70-120 градусов

Производитель: DKC

Оптовая цена от
739 ₽

Оптовый заказ

Для оптовых заказов напишите нам на почту:

opt@peak-leds.ru
Артикул: 01708

Характеристики

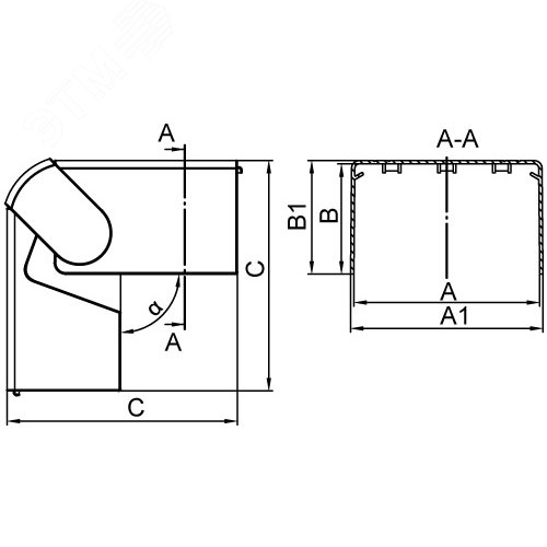
Классические короба и кабель-каналы серии ''In-liner Classic'' выполнены в белом цвете, который отлично подходит как для оформления офисных помещений, так и для жилых. Мини-каналы и короба серии имеют прямоугольную форму. Скромность и функциональность этой серии определяет ее популярность. Входящие в серию аксессуары применяются для простой сборки и оформления кабельной трассы на основе мини-каналов и коробов. Широкий ассортимент изделий позволяет создавать уникальные решения, отвечающие требованиям заказчика. Изделия изготавливаются из прочного пластика, устойчивого к появлению царапин, и покрываются защитной пленкой, предотвращающей повреждения при транспортировке и монтаже. Внешний угол устанавливается на стык трассы и служит для эстетичного оформления углов. Он имеет регулируемый диапазон от 70 до 120 градусов. Аксессуар предназначен для коробов 80х40 мм.

Штрихкод:
4690309296844
Страна производства:
Россия
Цвет:
Белый
Длина, мм:
95.8
Масса, кг:
0.162
Высота, мм:
40
Ширина, мм:
80
Тип изделия:
Угол внешний
Степень защиты:
IP40
Материал изделия:
Пластик
Количество вводов:
2
Количество отсеков:
1
Не содержит галоген:
Да
Климатическое исполнение:
УХЛ4
Дополнительная информация:
Угол: 70-120 градусов
Рекомендованный проектный ассортимент:
Да