Профиль П-образный PSM L=600 толщина 2.5мм
Производитель: DKC
Купить в розницу
Товар временно недоступен на маркетплейсах
Характеристики
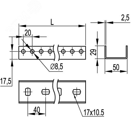
П-образный профиль BPM-29 применяется для монтажа консолей BBL-40, BBL-50, BBM-50, крепления к стене, подвеса на шпильках, монтажа в крепление BSV-29/BSF-29. Толщина стали - 2,5 мм, длина профиля 600 мм.
Похожие товары
Взрывонепроницаемый пост управления из алюминия LCSD-03-B-MC-L1R(220)x1-P1B(11)x1-P1R(11)x1-PCMB-KA3MHK
DKC
от 43 199 ₽
Трансформатор тока CT165 1250A, класс 0.2, 10ВА
DKC
от 38 262 ₽
Металлорукав герметичный в ПВХ изоляции МРПИнг 25 с протяжкой
Fortisflex
от 147 ₽
Реле низкопрофильное миниатюрное электромеханическое, монтаж на печатную плату, выводы с шагом 3.5мм, 1NO 12A, Контакты AgSnO2, катушка 5В DС, влагозащита RTIII
FINDER
от 671 ₽
Трубка термоусадочная ТУТнг-LS-6/3 бел с коэффициентом усадки 2:1
КВТ
от 22 ₽
Сальник MG 20 пластик (6-12мм) IP68 черный ГОФРОМАТИК
АО "ЗЭТА"
от 21 ₽