Переходник  H80-H50 основание 400
Оптовая цена от
1 286 ₽

Купить в розницу

Товар временно недоступен на маркетплейсах

Оптовый заказ

Для оптовых заказов напишите нам на почту:

opt@peak-leds.ru
Артикул: 36546

Характеристики

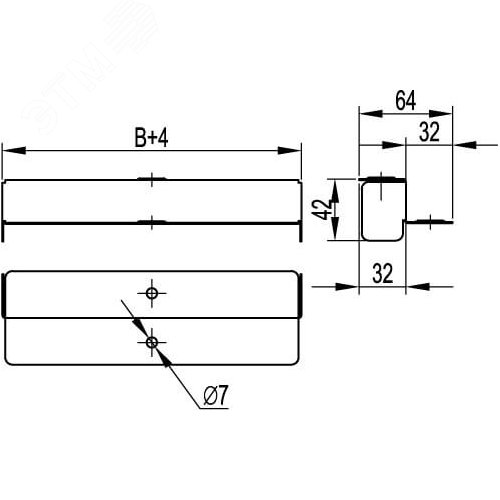
Система листовых лотков ''S5 Combitech'' включает все необходимое для построения кабельных трасс и безопасной прокладки кабеля. Компания ДКС стремится к тому, чтобы ассортимент продукции компании покрывал все потребности заказчика и позволял устранять любые затруднения, возникающие при монтаже. При применении лотков разной высоты возникает проблема сохранения контура заземления. Решить ее позволяет переходник RB, специально разработанный для того, чтобы сохранять непрерывное заземление при изменении высоты кабельной трассы. Переходник применяется для лотков с крышкой, переход осуществляется с высоты 80 мм на высоту 50 мм. Ширина лотка - 400 мм. Исполнение - ''сталь, оцинкованная по методу Сендзимира''.

Штрихкод:
8033603025721
Страна производства:
Италия
Цвет:
Светло-серый
Масса, кг:
0.253
Покрытие:
Оцинковано по методу сендзимира
Высота, мм:
80
Ширина, мм:
400
Исполнение:
С разъемом
Тип изделия:
Переходник
Преимущества:
Выполнено из оцинкованной стали с массой покрытия не менее 180 г/м2, что соответствует ГОСТ 52868—2021 и ГОСТ 14918 – 2020, и обеспечивает требуемую надежность и долговечность кабельной линии|Подтверждено протоколами соответствующих испытаний, в том числе в камере соляного тумана
Материал изделия:
Сталь
Климатическое исполнение:
УХЛ2
Толщина материала изделия:
0.8
Дополнительная информация:
Непрерывное холодное цинкование