Консоль с опорой ML основание 400
Оптовая цена от
2 241 ₽

Купить в розницу

Товар временно недоступен на маркетплейсах

Оптовый заказ

Для оптовых заказов напишите нам на почту:

opt@peak-leds.ru
Артикул: FC33833

Характеристики

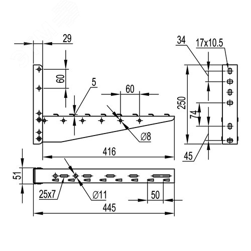
Консоль серии ML для проволочного лотка с шириной основания 400 мм. Предназначена для безвинтового монтажа кабельной трассы на основе системы проволочных лотков ‘‘F5 Combitech’‘ с максимально допустимой нагрузкой 190 кг. Крепление непосредственно к стене. Высота консоли - 250 мм. Толщина стали - 1,5 мм.

Страна производства:
Россия
Цвет:
Светло-серый
Длина, мм:
400
Масса, кг:
1.234
Покрытие:
Цинк
Высота, мм:
250
Крепление:
Винтовое
Ширина, мм:
51
Тип изделия:
Кронштейн
Тип соединения:
Винтовое
Материал изделия:
Сталь
Климатическое исполнение:
УХЛ2
Толщина материала изделия:
1.5
Дополнительная информация:
Угол: 90 градусов
Рекомендованный проектный ассортимент:
Да
Несущая способность/полезная нагрузка, кг:
190