Подвес вертикальный одиночный 41х21х500 мм горячеоцинкованный
Оптовая цена от
1 401 ₽

Купить в розницу

Товар временно недоступен на маркетплейсах

Оптовый заказ

Для оптовых заказов напишите нам на почту:

opt@peak-leds.ru
Артикул: BSP2105HDZ

Характеристики

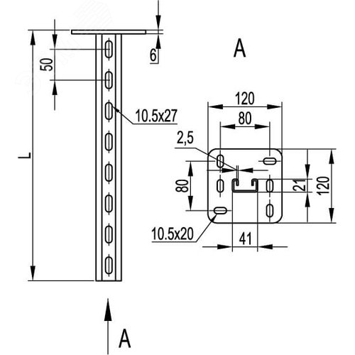
Подвес вертикальный одиночный BSP-21 41х21 мм применяется для монтажа консолей - ВВН-60, ВВН-70, BBD-21, BBP-21/41, одностороннего монтажа кабельных трасс, потолочного или напольного крепления. С-образный профиль подвеса имеет толщину профиля 2,5 мм, толщину пластины 6 мм. В основании 6 отверстий под метизы М10. Длина подвеса - 500 мм. Противокоррозионное цинкнаполненное покрытие повышает срок службы изделия в условиях агрессивных сред и высокой влажности.

Штрихкод:
4690309189474
Страна производства:
Россия
Цвет:
Светло-серый
Резьба:
M10
Длина, мм:
500
Масса, кг:
1.54
Покрытие:
Горячий цинк
Высота, мм:
120
Ширина, мм:
120
Тип изделия:
Профиль
Преимущества:
Монтаж в потолок или в пол|Совместим с металлическими лотками и аксессуарами ДКС любой серии|Повышенный срок службы в агрессивных средах и высокой влажности
Материал изделия:
Сталь
Климатическое исполнение:
УХЛ(1,5)
Толщина материала изделия:
2.5
Дополнительная информация:
Гальванопокрытие методом горячего погружения