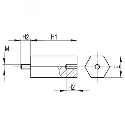
Спейсер Lоснования= 100мм Lрезьбы= 10мм М6
Оптовая цена от
314 ₽

Купить в розницу

Товар временно недоступен на маркетплейсах

Оптовый заказ

Для оптовых заказов напишите нам на почту:

opt@peak-leds.ru
Артикул: QSP1006

Характеристики

Спейсер предназначен для крепления оборудования к монтажной плате на заданном уровне. Материал исполнения – оцинкованная сталь, обладающая антикоррозийным покрытием, не содержащим VI-валентный хром. Высота спейсера - 100 мм, длиной резьбы - 10 мм. Резьба подходит под винт М6.

Штрихкод:
4660241198971
Страна производства:
Италия
Цвет:
Серый
Резьба:
M6
Длина, мм:
110
Масса, кг:
0.059
Ширина, мм:
10
Тип изделия:
Метизы и крепежные изделия
Преимущества:
Материал исполнения – оцинкованная сталь, обладающая антикоррозийным покрытием, не содержащим VI-валентный хром|Спейсеры обеспечивают крепление оборудования и монтажной платы на заданном уровне
Материал изделия:
Металл
Рекомендованный проектный ассортимент:
Да